NAKANISHI高速主轴如何实现外部通讯?
文章出处:深圳市春亨工具仪器有限公司
人气:-发表时间:2018-07-18 14:08:00
NAKANISHI高速主轴如何实现外部通讯?
自动化智能时代,无论是PCB分板机还是亚克力切割机以及精密零部件加工,目前都在使用NAKANISHI高速主轴,很多客户会问到,日本NSK高速主轴可以实现外部通讯吗?如何实现人机分离?下面就有NAKANISHI高速主轴中国服务中心为您介绍.
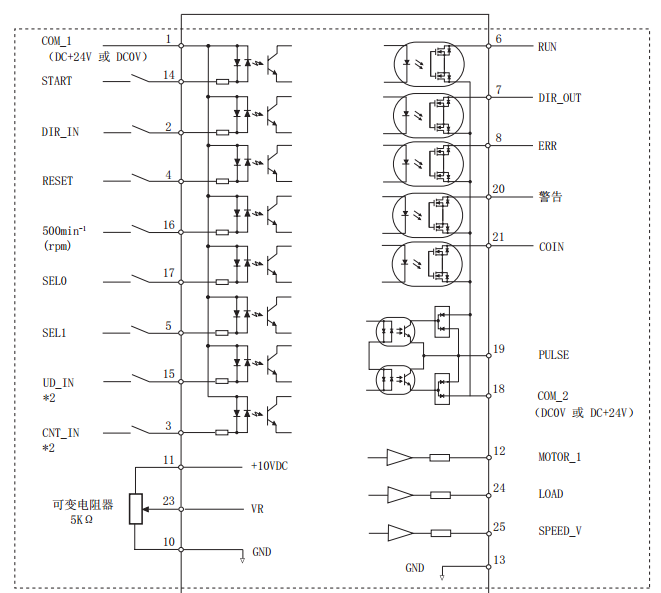
首先NAKANISHI高速主轴彩博888通讯协议是依据I/O控制,从而可以与PLC进行通讯,实现自动化控制。
一般常用的通讯功能有:启停,正反转,速度调节等功能.可以参考以下PLC线路图,根据自身所需功能进行连接.

当您收到NAKANISHI主轴时,如有任何技术请致电春亨工具--NAKANISHI高速主轴中国售服中心0755-29695109
彩博888优势供应:NAKANISHI高速主轴,NSK打磨机。
此文关键字:高速主轴,NAKANISHI高速主轴
同类文章排行
- 6轴机器人+msiy62浮动主轴,铸钢孔口去毛刺
- 齿轮端面去毛刺,用xebec蓝色外表面刷
- 这四种去除刀痕的方法,总有一种适合你!
- 不锈钢钻2*16mm孔,2秒完成一个孔,怎么做到的?
- 斯大走心机钻0.6*13mm小孔,怎样避免断刀?
- nsk高频铣出现E6报警怎么解决?
- 斯大走心机SB-20R加装高频铣,铣骨钉梅花转速多少?
- 孔雀peacock厚度计常用型号有哪几款?
- NAKANISHI高频铣ispeed3控制器EL报警怎么解决?
- 高频铣上的线缆被固定后还有其他方式来拆卸主轴吗?
最新资讯文章
您的浏览历史




