春亨产品中心
- 按产品特性分类
- 水平仪 偏心仪 角度计 直角尺 同心度仪 高速主轴 内外测卡规 打磨机 钻石膏 各种量表 磨刀石 研磨油石 切削刀具 研磨刷 研磨工具 磁性工具 放大镜 内视镜 卡尺 千分尺 圆周尺 扭力工具 针规 间隙规 速度测试 高度尺/计 测量工具 硬度计 段差尺 焊道规 V型座 磁性吸盘 推拉力计 吊重磁盘 工业胶粘剂 研磨抛光 钳类工具 旋具工具 热敏试纸 粘度计 电子称 金属锉刀 复制胶膜 螺帽规 背孔刀 气动主轴 自动换刀主轴 防静电主轴 MSIY电主轴 高精密主轴 大扭矩电主轴 高斯计 直角电主轴 进口百分表 扭力起子 中村扭力扳手 脱磁器 螺纹深度规 主轴增速刀柄 RBZ浮动主轴 中心出水电主轴 气浮主轴 螺纹规
- 按应用领域分类
- 工程机械 数控机床 汽车制造 电子/光电 橡胶皮革检测 船舶制造 实验室/研究院 纺织业 精加工 雕刻 珠宝首饰 陶瓷工业 抛光去毛刺 PCB分板机加工 铣削加工 钻孔动力头 医疗加工 走心机高频铣 浮动去毛刺 小径深孔加工
- 按品牌分类
- AAA ASKER B2 BOWERS CITIZEN DMT FUJITOOL FISSO FUJIGEN HONDA GLOI HEINE KANETEC IMADA KANON KAYDIAMOND KROEPLIN MEYER MARUI MITUTOYO NAKANISHI PEACOCK PEAK PHOENIX PI-TAPE RSK RHEINTACHO SK SPI SUN SUPERTECH SWAN UNIVERSAL NOVAPAX XEBEC WIXEY Teclock tohnichi 富士KOSOKU RUBICON KEIBA TAJIMA NIKON Stanley SPI Engeering MARKAL PTC TMC THERMAX RION SHINKO STAO佐藤 TSUBOSAN OSKAR SCHWENK MARK-10 Microset starrett EENPAIX OJIYAS DIGITECH ROECKLE tites swiss Yamato Cherry DAIWA RABIN MSIY NRS PPS NSK
相关资讯
- 【实力商家】NAKANISHI高速主轴大量出货
- NAKANISHI自动换刀主轴NR3060-AQC的换刀原理
- 如何选择加装合适的NAKANISHI高速主轴
- 细孔加工专用打磨机手柄BMH-300
- 强力kanetec磁性座MB型,春亨工具一级代理
- CNC加工中心能装几把刀?
- MSIY无刷电主轴外径25mm,走心机、排刀机加装
- 【优势供应】英国宝禾BOWERS内径千分尺
- ASKER橡胶硬度计高精度值得信赖
- 气动换刀主轴NR50-5100ATC与NR40-5100ATC的区别
- 小孔孔距测量不再是问题,kanon孔距卡尺轻松解决
- NAKANISHI小型高速电主轴适用于西铁城走心机A20
- 高精密内圆磨削主轴首选日本PL600-M2040
- 排刀机钻0.4X1.5mm的孔,加装6万转电主轴可以实现
- 【新品资讯】PEACOCK孔雀新产品
- 牙规和螺纹塞规、螺纹环规的区别
- 日本得乐TECLOCK精密量表,优势供应。
- NAKANISHI直角电主轴RAS-151E,侧铣高速动力头
- XEBEC深孔研磨刷,专为自动化深孔研磨而生
- NSK主轴如何选择夹头尺寸?
咨询热线:
彩博888 13612997620
传真:0755-23033513
Q Q:
地址:彩博888深圳市宝安49区华创达文化科技产业园D栋507
产品详情
联系我们
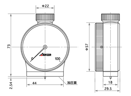
ASKER邵氏硬度计JC型橡胶硬度计

日本ASKER邵氏硬度计JC型,是国际橡胶硬度计的标准制定者,JA型邵氏硬度计押针形状为锥形,端面φ0.79mm,加装面长方形,44*18mm,适用于一般橡胶硬度测量。
ASKER邵氏硬度计JC型产品特点


压针的形状高度2.54毫米的圆锥梯形

加压面与试料间接触的面积需在44*18mm尺寸范围以上的情况下才能正确测量,试料的测量部位狭小或者对凹陷部位进行检测的情况下,则使用长脚型硬度计(JCL型)
ASKER邵氏硬度计规格选择图


上图所示为橡胶硬度计的种类图, 根据试样的种类设计不同的硬度计. 符合 JIS K 6253标准的A型橡胶硬度计是最普遍最常用的一款.但是通常情况下,测量值在10点~90点之间,使用A型硬度计,A90点以上时使用D型硬度计(硬质材料使用),A20点以下时使用C型或E型硬度计(软质材料使用)。就是说,根据试料的种类选择合适的机型最重要。
ASKER邵氏硬度计JC型规格参数

符合标准 | JIS K 6301 |
测量刻度 | 0 点 ~100 点 (262° 刻度) |
最小刻度 | 1 点 (审定精度 ±1 点) |
押针形状 mm | 高 2.54 35°圆锥形 端面Φ0.79 |
弹簧荷重 mN (g) | 0 点 980(100) |
加压面中心孔 mm | Φ3 |
加压面尺寸 mm | 44×18(长方形) |
外形尺寸 mm | 约宽57× 厚 30× 高 76 |
重量 g | 200 |
用途 | 一般软橡胶材料 |

订购:ASKER邵氏橡胶硬度计JC型








1960544536 


