春亨产品中心
- 按产品特性分类
- 水平仪 偏心仪 角度计 直角尺 同心度仪 高速主轴 内外测卡规 打磨机 钻石膏 各种量表 磨刀石 研磨油石 切削刀具 研磨刷 研磨工具 磁性工具 放大镜 内视镜 卡尺 千分尺 圆周尺 扭力工具 针规 间隙规 速度测试 高度尺/计 测量工具 硬度计 段差尺 焊道规 V型座 磁性吸盘 推拉力计 吊重磁盘 工业胶粘剂 研磨抛光 钳类工具 旋具工具 热敏试纸 粘度计 电子称 金属锉刀 复制胶膜 螺帽规 背孔刀 气动主轴 自动换刀主轴 防静电主轴 MSIY电主轴 高精密主轴 大扭矩电主轴 高斯计 直角电主轴 进口百分表 扭力起子 中村扭力扳手 脱磁器 螺纹深度规 主轴增速刀柄 RBZ浮动主轴 中心出水电主轴 气浮主轴 螺纹规
- 按应用领域分类
- 工程机械 数控机床 汽车制造 电子/光电 橡胶皮革检测 船舶制造 实验室/研究院 纺织业 精加工 雕刻 珠宝首饰 陶瓷工业 抛光去毛刺 PCB分板机加工 铣削加工 钻孔动力头 医疗加工 走心机高频铣 浮动去毛刺 小径深孔加工
- 按品牌分类
- AAA ASKER B2 BOWERS CITIZEN DMT FUJITOOL FISSO FUJIGEN HONDA GLOI HEINE KANETEC IMADA KANON KAYDIAMOND KROEPLIN MEYER MARUI MITUTOYO NAKANISHI PEACOCK PEAK PHOENIX PI-TAPE RSK RHEINTACHO SK SPI SUN SUPERTECH SWAN UNIVERSAL NOVAPAX XEBEC WIXEY Teclock tohnichi 富士KOSOKU RUBICON KEIBA TAJIMA NIKON Stanley SPI Engeering MARKAL PTC TMC THERMAX RION SHINKO STAO佐藤 TSUBOSAN OSKAR SCHWENK MARK-10 Microset starrett EENPAIX OJIYAS DIGITECH ROECKLE tites swiss Yamato Cherry DAIWA RABIN MSIY NRS PPS NSK
相关资讯
- 日本KANON中村扭力扳手有哪几种系列?
- 压铸件去毛刺用NAKANISHI浮动电主轴
- NRAF-5080气浮电主轴优缺点分析
- 铣床秒变磨床的秘籍!加装PL600气动高速主轴
- MSIY-4030电主轴,外径40mm,功率600W,转速3万
- 当NAKANISHI主轴遇到XEBEC研磨刷,实现自动化去毛刺
- 看机械手加装KATO主轴,如何完美去浮动毛刺!
- ISPEED3精密高速主轴使用说明
- 砂芯去毛刺,用fine techno气动浮动主轴AF20
- [降价通知] 您收藏的量表已降价,TECLOCK年终大促来啦!
- 中村CN100DPSK刻度盘扭力螺丝刀,精度±3%
- 高频铣是微小零部件加工中必备产品
- ASKER橡胶硬度计:橡塑行业最佳的选择
- 当NAKANISHI高速主轴遇到日本XEBEC研磨刷
- 日本fine-techno浮动打磨主轴AF30和AF40有何区别?
- 高精密全检界限量表如何使用?
- 线对线垂直度误差的测量—RSK框式水平仪法
- 铝合金(A6061)大余量切槽/侧切,用MSI大力矩电主轴
- 多轴加工中心压铸件毛刺,用RBZ浮动去毛刺主轴
- 冷砂芯去合模线,用MSIY气动浮动主轴更划算
咨询热线:
13612997620
传真:0755-23033513
Q Q:
地址:深圳市宝安49区华创达文化科技产业园D栋507
产品详情
联系我们
ASKER橡胶硬度计C1L型
C1L型邵氏硬度计产品特点:


测针:高 2.54mm的半球形压针
C1L型邵氏硬度计规格选择图


上图所示为橡胶硬度计的种类图, 根据试样的种类设计不同的硬度计. 符合 JIS K 6253标准的A型橡胶硬度计是最普遍最常用的一款.但是通常情况下,测量值在10点~90点之间,使用A型硬度计,A90点以上时使用D型硬度计(硬质材料使用),A20点以下时使用C型或E型硬度计(软质材料使用)。就是说,根据试料的种类选择合适的机型最重要。
ASKER邵氏硬度计选型表

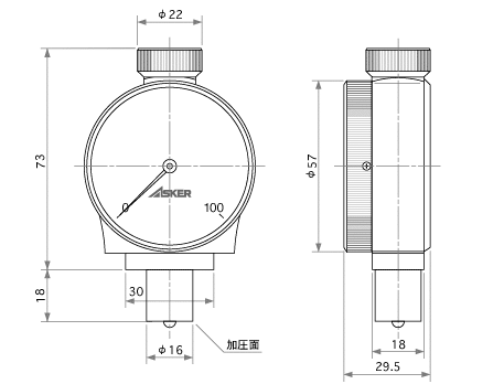
ASKER邵氏硬度计规格尺寸

符合标准 | JIS K 7312 |
测量刻度 | 0 点 ~100 点 (262° 刻度) |
最小刻度 | 1 点 (审定精度 ±1点) |
押针形状 mm | 高 2.54mm直径 φ5.08半球形 |
弹簧荷重 mN (g) | 0 点 539(55) |
加压面中心孔 mm | Φ5.5 |
加压面尺寸 mm | 44×18 (长方形) |
外形尺寸 mm | 约宽57× 厚 30× 高94 |
重量 g | 200 |
用途 | 软橡胶、聚氨酯泡沫塑料、海绵、绕线、胶片 、瓷土 、鞋料 |

订购:ASKER橡胶硬度计C1L型








1960544536