春亨产品中心
- 按产品特性分类
- 水平仪 偏心仪 角度计 直角尺 同心度仪 高速主轴 内外测卡规 打磨机 钻石膏 各种量表 磨刀石 研磨油石 切削刀具 研磨刷 研磨工具 磁性工具 放大镜 内视镜 卡尺 千分尺 圆周尺 扭力工具 针规 间隙规 速度测试 高度尺/计 测量工具 硬度计 段差尺 焊道规 V型座 磁性吸盘 推拉力计 吊重磁盘 工业胶粘剂 研磨抛光 钳类工具 旋具工具 热敏试纸 粘度计 电子称 金属锉刀 复制胶膜 螺帽规 背孔刀 气动主轴 自动换刀主轴 防静电主轴 MSIY电主轴 高精密主轴 大扭矩电主轴 高斯计 直角电主轴 进口百分表 扭力起子 中村扭力扳手 脱磁器 螺纹深度规 主轴增速刀柄 RBZ浮动主轴 中心出水电主轴 气浮主轴 螺纹规
- 按应用领域分类
- 工程机械 数控机床 汽车制造 电子/光电 橡胶皮革检测 船舶制造 实验室/研究院 纺织业 精加工 雕刻 珠宝首饰 陶瓷工业 抛光去毛刺 PCB分板机加工 铣削加工 钻孔动力头 医疗加工 走心机高频铣 浮动去毛刺 小径深孔加工
- 按品牌分类
- AAA ASKER B2 BOWERS CITIZEN DMT FUJITOOL FISSO FUJIGEN HONDA GLOI HEINE KANETEC IMADA KANON KAYDIAMOND KROEPLIN MEYER MARUI MITUTOYO NAKANISHI PEACOCK PEAK PHOENIX PI-TAPE RSK RHEINTACHO SK SPI SUN SUPERTECH SWAN UNIVERSAL NOVAPAX XEBEC WIXEY Teclock tohnichi 富士KOSOKU RUBICON KEIBA TAJIMA NIKON Stanley SPI Engeering MARKAL PTC TMC THERMAX RION SHINKO STAO佐藤 TSUBOSAN OSKAR SCHWENK MARK-10 Microset starrett EENPAIX OJIYAS DIGITECH ROECKLE tites swiss Yamato Cherry DAIWA RABIN MSIY NRS PPS NSK
相关资讯
- CNC加工中心四种传动结构主轴之电主轴选择!
- E-ASKER橡胶硬度计特价促销
- NAKANISHI高速主轴之分板机行业
- 日本KANETEC强力高斯计
- 汽车轮毂去毛刺,要用6万转的浮动电主轴
- NSK高频铣BM-320F适用于多种走心机型号
- 自动化检测界限量表,客户只信赖PEACOCK/CITIZEN
- 日本nakanishi中西4万转高速电主轴NR-403E
- 医疗骨钉梅花雕刻主轴 优选日本NAKANISHI高频铣系列
- 同轴度测量专家—美国环球同心度仪
- 春亨工具揭秘:电动打磨机为何要选择日本中西打磨机?
- MSIY-3316电主轴,走心机、排刀机可加装
- 西铁城走心机铣接骨螺钉梅花,加装高频铣BM-319F
- 不锈钢高精密内圆研磨,用1.2KW中心出水电主轴
- 铝铸件大余量毛刺用什么工具去除?MSIY-80浮动主轴!
- NAKANISHI小型高速电主轴BM-319F螺纹铣削案例
- 津上走芯机加装NSK高频铣实现高速加工
- 机器人自动化去轴承铁鳞,用大扭矩电主轴BMS-4020
- 无线蓝牙传输内外测量卡规
- 如何调试RSK水平仪零点
咨询热线:
13612997620
传真:彩博8880755-23033513
Q Q:
地址:深圳市宝安49区华创达文化科技产业园D栋507
产品详情
联系我们
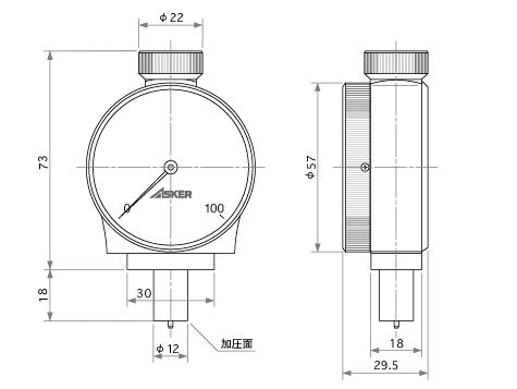
ASKER邵氏橡胶硬度计AL型

AL型硬度计用于一般橡胶(中等硬度)。 是JIS K 6253-3、ISO 48-4、ASTM D 2240等国内外标准中广泛使用的“A型硬度计(中等硬度)”。是测量各种橡胶制品硬度的主流。
AL型硬度计产品特点:


测头的形状是一个圆锥形,2.50mm的高度。
AL型硬度计规格选择图:


上图所示为橡胶硬度计的种类图, 根据试样的种类设计不同的硬度计. 符合 JIS K 6253标准的A型橡胶硬度计是最普遍最常用的一款.但是通常情况下,测量值在10点~90点之间,使用A型硬度计,A90点以上时使用D型硬度计(硬质材料使用),A20点以下时使用C型或E型硬度计(软质材料使用)。就是说,根据试料的种类选择合适的机型最重要。
AL型硬度计规格尺寸:

符合标准 | JIS K 6253 |
测量刻度 | 0点 ~100 点 (262° 刻度) |
最小刻度 | 1 点 (审定精度 ±1点) |
押针形状mm | 高2.50mm 35° 圆锥梯形 端面直径 φ0.79 |
弹簧荷重mN (g) | 0 点 550(56) |
加压面中心孔 mm | φ3 |
加压面尺寸 mm | 44×18 (长方形) |
外形尺寸 mm | 约 宽57× 厚 30× 高 76 |
重量g | 200 |
用途 | 普通橡胶 软塑料 |

彩博888 订购:ASKER橡胶硬度计AL型





.png)


1960544536 


