春亨产品中心
- 按产品特性分类
- 水平仪 偏心仪 角度计 直角尺 同心度仪 高速主轴 内外测卡规 打磨机 钻石膏 各种量表 磨刀石 研磨油石 切削刀具 研磨刷 研磨工具 磁性工具 放大镜 内视镜 卡尺 千分尺 圆周尺 扭力工具 针规 间隙规 速度测试 高度尺/计 测量工具 硬度计 段差尺 焊道规 V型座 磁性吸盘 推拉力计 吊重磁盘 工业胶粘剂 研磨抛光 钳类工具 旋具工具 热敏试纸 粘度计 电子称 金属锉刀 复制胶膜 螺帽规 背孔刀 气动主轴 自动换刀主轴 防静电主轴 MSIY电主轴 高精密主轴 大扭矩电主轴 高斯计 直角电主轴 进口百分表 扭力起子 中村扭力扳手 脱磁器 螺纹深度规 主轴增速刀柄 RBZ浮动主轴 中心出水电主轴 气浮主轴 螺纹规
- 按应用领域分类
- 工程机械 数控机床 汽车制造 电子/光电 橡胶皮革检测 船舶制造 实验室/研究院 纺织业 精加工 雕刻 珠宝首饰 陶瓷工业 抛光去毛刺 PCB分板机加工 铣削加工 钻孔动力头 医疗加工 走心机高频铣 浮动去毛刺 小径深孔加工
- 按品牌分类
- AAA ASKER B2 BOWERS CITIZEN DMT FUJITOOL FISSO FUJIGEN HONDA GLOI HEINE KANETEC IMADA KANON KAYDIAMOND KROEPLIN MEYER MARUI MITUTOYO NAKANISHI PEACOCK PEAK PHOENIX PI-TAPE RSK RHEINTACHO SK SPI SUN SUPERTECH SWAN UNIVERSAL NOVAPAX XEBEC WIXEY Teclock tohnichi 富士KOSOKU RUBICON KEIBA TAJIMA NIKON Stanley SPI Engeering MARKAL PTC TMC THERMAX RION SHINKO STAO佐藤 TSUBOSAN OSKAR SCHWENK MARK-10 Microset starrett EENPAIX OJIYAS DIGITECH ROECKLE tites swiss Yamato Cherry DAIWA RABIN MSIY NRS PPS NSK
相关资讯
- 加装NSK主轴增速器降低企业生产成本
- XEBEC锐必克车床刷,适合于车床上去毛刺使用
- ABS材料切割,机械臂加装NAKANISHI高速电主轴
- 津上BO205走心机挂架加装哪个型号高频铣?
- 日本中村kanon游标卡尺的使用方法和注意事项
- 出4套MSIY-3316电主轴,镜片切割使用
- 加工中心加装NSK自动换刀主轴进行R2端铣应用
- 中村标记式扭力扳手M140MQLK,可调范围40-140N.m
- 瑞士马丁三线规,专业测量螺纹中径的精密量规
- 干货分享!减小数控铣床切削振动12种方法!
- 机床设备改造,加装微型高速主轴,可钻微孔
- 又是一年端午时,春亨工具祝各位端午安康!
- NAKANISHI直角电主轴RAS-151E,侧铣高速动力头
- 铝合金汽车轮毂毛刺用机械臂怎么去除?
- NAKANISHI中西NSK E3000高速电主轴的性能,不容你忽视
- 扭力扳手精度下降了怎么办?
- 斯大走心机挂轴加装高频铣的技巧
- 向假冒伪劣RSK水平仪说“不”!
- 气缸盖去毛刺太难?加装msiy-30AQC自动换刀主轴
- RSK水平仪使用方法及注意事项
咨询热线:
彩博888 13612997620
传真:彩博8880755-23033513
Q Q:
地址:深圳市宝安49区华创达文化科技产业园D栋507
产品详情
联系我们
西铁城citizen电子比测探针DTH-L15

西铁城电子比测探针DTH-L15,测量范围±0.5mm,测量行程1.5mm,测定力0.147N,重复精度0.3μm。适用于生产线上做自动化品控检测使用。
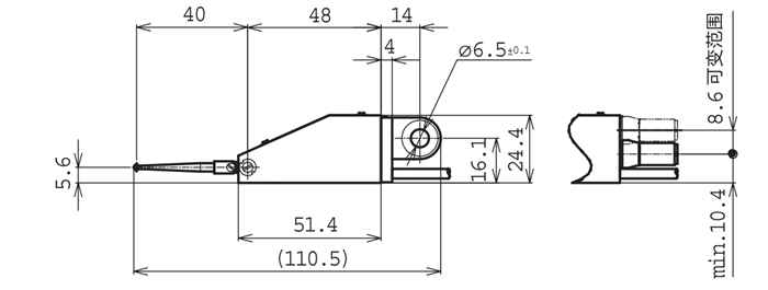
电子比测探针DTH-L15产品尺寸

西铁城电子比测探针型号参数
探针型号:DTH-L02U
彩博888测量范围:±0.5mm
测量行程:1.5mm
测定力:0.147N
零点位置:约0.5mm
重复精度:0.3μm
测头摩擦压力:1.47N以上
精度保证稳定范围:24°c±5°C
使用温度范围:0-50°C
彩博888标准配件:电源线3M,测头F-138
电子比测探针
订购:西铁城电子比测探针DTH-L15








1960544536 
