春亨产品中心
- 按产品特性分类
- 水平仪 偏心仪 角度计 直角尺 同心度仪 高速主轴 内外测卡规 打磨机 钻石膏 各种量表 磨刀石 研磨油石 切削刀具 研磨刷 研磨工具 磁性工具 放大镜 内视镜 卡尺 千分尺 圆周尺 扭力工具 针规 间隙规 速度测试 高度尺/计 测量工具 硬度计 段差尺 焊道规 V型座 磁性吸盘 推拉力计 吊重磁盘 工业胶粘剂 研磨抛光 钳类工具 旋具工具 热敏试纸 粘度计 电子称 金属锉刀 复制胶膜 螺帽规 背孔刀 气动主轴 自动换刀主轴 防静电主轴 MSIY电主轴 高精密主轴 大扭矩电主轴 高斯计 直角电主轴 进口百分表 扭力起子 中村扭力扳手 脱磁器 螺纹深度规 主轴增速刀柄 RBZ浮动主轴 中心出水电主轴 气浮主轴 螺纹规
- 按应用领域分类
- 工程机械 数控机床 汽车制造 电子/光电 橡胶皮革检测 船舶制造 实验室/研究院 纺织业 精加工 雕刻 珠宝首饰 陶瓷工业 抛光去毛刺 PCB分板机加工 铣削加工 钻孔动力头 医疗加工 走心机高频铣 浮动去毛刺 小径深孔加工
- 按品牌分类
- AAA ASKER B2 BOWERS CITIZEN DMT FUJITOOL FISSO FUJIGEN HONDA GLOI HEINE KANETEC IMADA KANON KAYDIAMOND KROEPLIN MEYER MARUI MITUTOYO NAKANISHI PEACOCK PEAK PHOENIX PI-TAPE RSK RHEINTACHO SK SPI SUN SUPERTECH SWAN UNIVERSAL NOVAPAX XEBEC WIXEY Teclock tohnichi 富士KOSOKU RUBICON KEIBA TAJIMA NIKON Stanley SPI Engeering MARKAL PTC TMC THERMAX RION SHINKO STAO佐藤 TSUBOSAN OSKAR SCHWENK MARK-10 Microset starrett EENPAIX OJIYAS DIGITECH ROECKLE tites swiss Yamato Cherry DAIWA RABIN MSIY NRS PPS NSK
相关资讯
- 气缸座去毛刺浮动,建议使用MSIY自动换刀浮动主轴
- NAKANISHI高速主轴医疗零部件首选产品
- NAKANISHI中西打磨机EV410-230,玉石、义齿、模具精密打磨抛光
- 铸铁焊缝抛光,机械臂加装msiy-62浮动电主轴
- 日本KANETEC高斯计TM-801特价销售
- 排刀机25mm刀座孔用哪个型号NAKANISHI电主轴?
- 航空零部件去毛刺难题?XEBEC弹性圆盘研磨棒搞定
- 刀塔机也能加装NAKANISHI高速电主轴?
- 谈谈日本NAKANISHI减速器的作用
- 玩具电机专业扭力测试-KANON扭力计SGK
- 大扭矩电主轴BMS-4020RA,快速去除汽车驱动板焊渣
- 日本RSK精密水平尺
- 中村单能扭力起子CN500STDK,春亨工具优势供应
- 日本孔雀PEACOCK杠杆表有哪几种分类?
- RSK水平仪辨别真伪,当心价格陷阱
- KANON扭力扳手会空旋吗?
- 进口橡胶硬度计使用方法
- 津上走心机可以加装直径30mm的高速电主轴吗?
- 如何实现去毛刺自动化?
- 美国DMT磨刀石,滑雪专用冰刀磨刀石
咨询热线:
彩博888 13612997620
传真:彩博8880755-23033513
Q Q:
地址:彩博888深圳市宝安49区华创达文化科技产业园D栋507
产品详情
联系我们
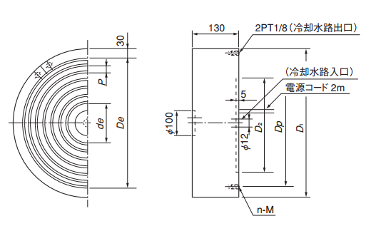
KCC-35RA日本强力圆形水冷电磁吸盘
电磁吸盘特点:

很小精度的改变;强力独有的冷却机构设计使温度上升很小;吸盘的变形量很小,所以最适合用在高精度研磨工序上.
【产品应用】
此型号适合循环,旋转式研磨机床上使用.
电磁吸盘参数:



圆形吸盘,强力电磁吸盘,永磁吸盘
订购:KCC-35RA日本强力圆形水冷电磁吸盘








1960544536 


