春亨产品中心
- 按产品特性分类
- 水平仪 偏心仪 角度计 直角尺 同心度仪 高速主轴 内外测卡规 打磨机 钻石膏 各种量表 磨刀石 研磨油石 切削刀具 研磨刷 研磨工具 磁性工具 放大镜 内视镜 卡尺 千分尺 圆周尺 扭力工具 针规 间隙规 速度测试 高度尺/计 测量工具 硬度计 段差尺 焊道规 V型座 磁性吸盘 推拉力计 吊重磁盘 工业胶粘剂 研磨抛光 钳类工具 旋具工具 热敏试纸 粘度计 电子称 金属锉刀 复制胶膜 螺帽规 背孔刀 气动主轴 自动换刀主轴 防静电主轴 MSIY电主轴 高精密主轴 大扭矩电主轴 高斯计 直角电主轴 进口百分表 扭力起子 中村扭力扳手 脱磁器 螺纹深度规 主轴增速刀柄 RBZ浮动主轴 中心出水电主轴 气浮主轴 螺纹规
- 按应用领域分类
- 工程机械 数控机床 汽车制造 电子/光电 橡胶皮革检测 船舶制造 实验室/研究院 纺织业 精加工 雕刻 珠宝首饰 陶瓷工业 抛光去毛刺 PCB分板机加工 铣削加工 钻孔动力头 医疗加工 走心机高频铣 浮动去毛刺 小径深孔加工
- 按品牌分类
- AAA ASKER B2 BOWERS CITIZEN DMT FUJITOOL FISSO FUJIGEN HONDA GLOI HEINE KANETEC IMADA KANON KAYDIAMOND KROEPLIN MEYER MARUI MITUTOYO NAKANISHI PEACOCK PEAK PHOENIX PI-TAPE RSK RHEINTACHO SK SPI SUN SUPERTECH SWAN UNIVERSAL NOVAPAX XEBEC WIXEY Teclock tohnichi 富士KOSOKU RUBICON KEIBA TAJIMA NIKON Stanley SPI Engeering MARKAL PTC TMC THERMAX RION SHINKO STAO佐藤 TSUBOSAN OSKAR SCHWENK MARK-10 Microset starrett EENPAIX OJIYAS DIGITECH ROECKLE tites swiss Yamato Cherry DAIWA RABIN MSIY NRS PPS NSK
相关资讯
- ASKER橡胶硬度计使用方法
- 德国Kroeplin精密进口卡规
- 发动机汽缸盖去毛刺,用NR4040-AQC主轴的四大理由
- 韩国工业机器人密度3年来首次重回世界第一
- 日本NSK高速主轴在数控机床精加工行业的作用
- 汽车内饰板铣削,机械臂加装MSIY-4030气冷电主轴
- nakanishi气浮高速电主轴NRAF-5080,半导体精密加工好工具
- 日本中西新款中心出水主轴CTS-3030,性价比超高
- 春亨工具未来是否也要走直播带货的路子?
- NAKANISHI主轴与数控机床结合,实现高效精加工
- RSK水平仪为何得到众多客户信赖?
- peacock孔雀厚度计选型技巧和使用注意事项
- Nakanishi高频铣bm-320f,为何备受走心机用户追棒?
- 日本NAKANISHI电主轴E3000控制器故障报警的原因及对策
- ASKER橡胶硬度计与排球的那些事儿?
- 高精度打磨机品牌,日本中西NAKANISHI很有特色
- 又是一年端午时,春亨工具祝各位端午安康!
- 新春感恩大回馈-RSK磁性水平仪送福利
- 数控车床加工零件尺寸误差原因及调整办法
- 钛合金弧面钻孔,总是容易打偏怎么办?
咨询热线:
彩博888 13612997620
传真:0755-23033513
Q Q:
地址:深圳市宝安49区华创达文化科技产业园D栋507
产品详情
联系我们
MB-L-C75进口磁性量表座
磁性座特点:

具有磁力开关,满足各种用途.
可做仪器固定基座、测量基座使用(螺纹孔用来安装夹具).
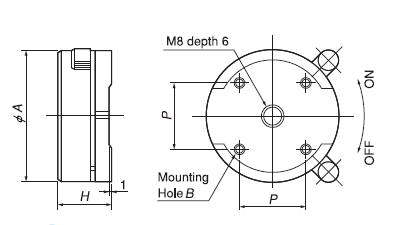
磁性座参数:

型号 | 吸着力Kgf | 尺寸 | 螺纹深度 | 重量 | ||
A | H | P | B | |||
MB-L-C50 | 59N(6 kgf) | 50 | 20 | 25 | M4*6 | 0.3kg |
MB-L-C75 | 196N(20kgf) | 75 | 20 | 35 | M4*6 | 0.68kg |

MB-L-C75量表座,进口磁性量表座,日本强力量表座
彩博888 订购:MB-L-C75进口磁性量表座








1960544536 


