春亨产品中心
- 按产品特性分类
- 水平仪 偏心仪 角度计 直角尺 同心度仪 高速主轴 内外测卡规 打磨机 钻石膏 各种量表 磨刀石 研磨油石 切削刀具 研磨刷 研磨工具 磁性工具 放大镜 内视镜 卡尺 千分尺 圆周尺 扭力工具 针规 间隙规 速度测试 高度尺/计 测量工具 硬度计 段差尺 焊道规 V型座 磁性吸盘 推拉力计 吊重磁盘 工业胶粘剂 研磨抛光 钳类工具 旋具工具 热敏试纸 粘度计 电子称 金属锉刀 复制胶膜 螺帽规 背孔刀 气动主轴 自动换刀主轴 防静电主轴 MSIY电主轴 高精密主轴 大扭矩电主轴 高斯计 直角电主轴 进口百分表 扭力起子 中村扭力扳手 脱磁器 螺纹深度规 主轴增速刀柄 RBZ浮动主轴 中心出水电主轴 气浮主轴 螺纹规
- 按应用领域分类
- 工程机械 数控机床 汽车制造 电子/光电 橡胶皮革检测 船舶制造 实验室/研究院 纺织业 精加工 雕刻 珠宝首饰 陶瓷工业 抛光去毛刺 PCB分板机加工 铣削加工 钻孔动力头 医疗加工 走心机高频铣 浮动去毛刺 小径深孔加工
- 按品牌分类
- AAA ASKER B2 BOWERS CITIZEN DMT FUJITOOL FISSO FUJIGEN HONDA GLOI HEINE KANETEC IMADA KANON KAYDIAMOND KROEPLIN MEYER MARUI MITUTOYO NAKANISHI PEACOCK PEAK PHOENIX PI-TAPE RSK RHEINTACHO SK SPI SUN SUPERTECH SWAN UNIVERSAL NOVAPAX XEBEC WIXEY Teclock tohnichi 富士KOSOKU RUBICON KEIBA TAJIMA NIKON Stanley SPI Engeering MARKAL PTC TMC THERMAX RION SHINKO STAO佐藤 TSUBOSAN OSKAR SCHWENK MARK-10 Microset starrett EENPAIX OJIYAS DIGITECH ROECKLE tites swiss Yamato Cherry DAIWA RABIN MSIY NRS PPS NSK
相关资讯
- 中西一体式电主轴EM30-S6000可以对那些工件加工?
- 常用水平校准量具——RSK水平仪
- 扭力起子,你选对了吗?
- 压铸件复杂边缘去毛刺,用MSIY-30浮动电主轴可去除
- 哪个品牌水平仪好,该如何选购
- 铣铝合金2-5mm焊缝,用MSI进口高速大扭矩主轴
- 铝铸件大余量毛刺用什么工具去除?MSIY-80浮动主轴!
- 将球传给靠谱的球员,用钱买精密的进口水平仪
- 日本三丰杠杆千分表513系列型号十分齐全
- 日本NAKANISHI高速研磨用气动主轴PLIAN600系列
- 德国古沃匹林KROEPLIN卡规
- US-25PBS超声波研磨机如何使用?
- 当微小孔遇上高速主轴.
- 德国KROEPLIN分类介绍
- 机床主轴增速器: “小体积” 蕴含“大宇宙”
- 缸盖去毛刺,机械臂加装3支直角电主轴RAX-271E
- 进口百分表优选日本孔雀peacock百分表,值得信赖!
- NAKANISHI高速主轴
- 如何辨别进口水平尺的真伪
- 微小孔加工,不再是难题!
咨询热线:
彩博888 13612997620
传真:0755-23033513
Q Q:
地址:彩博888深圳市宝安49区华创达文化科技产业园D栋507
产品详情
联系我们
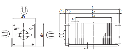
MMW-3F70A强力KANETEC三面磁迷你磁盘
磁性吸盘特点:

作为异形工件的辅助夹具与磁性吸盘配合使用,用于磨削及轻切削。
1, 在前面和后面都可进行磁力的ON/OFF切换操作。
2, 设计为防水结构,可在切削液/油中使用。
各种永磁夹具根据用途,加工物件的不同可以单独,或者也可以作为辅助夹具与磁性吸盘配合使用,广泛应用于切削、磨削、电火花加工、组合工装、检查等行业。
磁性吸盘参数:



三面磁磁性吸盘,迷你磁性吸盘,强力磁性吸盘
订购:MMW-3F70A强力KANETEC三面磁迷你磁盘





.png)


1960544536 


