春亨产品中心
- 按产品特性分类
- 水平仪 偏心仪 角度计 直角尺 同心度仪 高速主轴 内外测卡规 打磨机 钻石膏 各种量表 磨刀石 研磨油石 切削刀具 研磨刷 研磨工具 磁性工具 放大镜 内视镜 卡尺 千分尺 圆周尺 扭力工具 针规 间隙规 速度测试 高度尺/计 测量工具 硬度计 段差尺 焊道规 V型座 磁性吸盘 推拉力计 吊重磁盘 工业胶粘剂 研磨抛光 钳类工具 旋具工具 热敏试纸 粘度计 电子称 金属锉刀 复制胶膜 螺帽规 背孔刀 气动主轴 自动换刀主轴 防静电主轴 MSIY电主轴 高精密主轴 大扭矩电主轴 高斯计 直角电主轴 进口百分表 扭力起子 中村扭力扳手 脱磁器 螺纹深度规 主轴增速刀柄 RBZ浮动主轴 中心出水电主轴 气浮主轴 螺纹规
- 按应用领域分类
- 工程机械 数控机床 汽车制造 电子/光电 橡胶皮革检测 船舶制造 实验室/研究院 纺织业 精加工 雕刻 珠宝首饰 陶瓷工业 抛光去毛刺 PCB分板机加工 铣削加工 钻孔动力头 医疗加工 走心机高频铣 浮动去毛刺 小径深孔加工
- 按品牌分类
- AAA ASKER B2 BOWERS CITIZEN DMT FUJITOOL FISSO FUJIGEN HONDA GLOI HEINE KANETEC IMADA KANON KAYDIAMOND KROEPLIN MEYER MARUI MITUTOYO NAKANISHI PEACOCK PEAK PHOENIX PI-TAPE RSK RHEINTACHO SK SPI SUN SUPERTECH SWAN UNIVERSAL NOVAPAX XEBEC WIXEY Teclock tohnichi 富士KOSOKU RUBICON KEIBA TAJIMA NIKON Stanley SPI Engeering MARKAL PTC TMC THERMAX RION SHINKO STAO佐藤 TSUBOSAN OSKAR SCHWENK MARK-10 Microset starrett EENPAIX OJIYAS DIGITECH ROECKLE tites swiss Yamato Cherry DAIWA RABIN MSIY NRS PPS NSK
相关资讯
- 什么是中心出水主轴,中心出水主轴哪个牌子好?
- MSIY-3316电主轴,适用于各种自动化设备加装
- 晶圆划片机切割主轴,选10万转气浮主轴ABT-100
- 日本RSK新泻理研水平仪大量到货
- 橡胶皮革厚度测量用什么工具好呢?推荐使用日本孔雀厚度计!
- 吹风机叶轮加工,用msiy-4030电主轴,降本增效
- 日本NAKANISHI高速主轴在CNC加工中心的广泛应用
- 分板机主轴NR-3060S
- 日本XEBEC锐必克这个品牌好吗?有哪些产品系列?
- 什么是PCB钻针及其使用注意事项
- 加工中心用φ0.3mm铣网纹,加装15万转增速刀柄
- 【科普】你知道高速电主轴是怎么分类的吗?
- 金属深孔加工太难了,不防试试这款中心出水主轴!
- 铝板分板机用什么分板机主轴好?推荐日本nakanishi高速主轴
- MSIY-3316电主轴一拖二,数控车床均可加装
- 分板机主轴,更多人选择日本NAKANISHI
- 高光及超精加工电主轴哪个牌子好?选nsk高速电主轴
- 将球传给靠谱的球员,用钱买精密的进口水平仪
- Nakanishi中西6万转电主轴EMS-3060K应用场景
- Nakanishi中西直角高速切割电机有哪几款型号?
咨询热线:
13612997620
传真:彩博8880755-23033513
Q Q:
地址:彩博888深圳市宝安49区华创达文化科技产业园D栋507
产品详情
联系我们
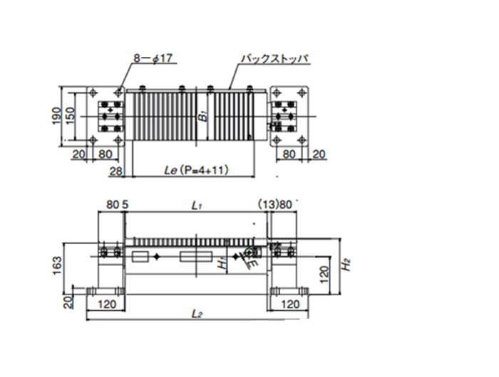
RMA-U日本强力KANETEC可调角度永磁吸盘
永磁吸盘特性:

适合在吸盘表面进行成形、研磨或者铣工作。
【特性】
强大的吸引力、斜铣工作是可能的。
磁力的减少气隙很小,这查克响应研磨材料。
可研磨材料的材质对磁力的影响很小。
倾斜角度可自由设置前90度和90度之间。
永磁吸盘参数:



可调角度永磁吸盘,可倾斜永磁吸盘,进口电磁吸盘
彩博888 订购:RMA-U日本强力KANETEC可调角度永磁吸盘








1960544536 


