春亨产品中心
- 按产品特性分类
- 水平仪 偏心仪 角度计 直角尺 同心度仪 高速主轴 内外测卡规 打磨机 钻石膏 各种量表 磨刀石 研磨油石 切削刀具 研磨刷 研磨工具 磁性工具 放大镜 内视镜 卡尺 千分尺 圆周尺 扭力工具 针规 间隙规 速度测试 高度尺/计 测量工具 硬度计 段差尺 焊道规 V型座 磁性吸盘 推拉力计 吊重磁盘 工业胶粘剂 研磨抛光 钳类工具 旋具工具 热敏试纸 粘度计 电子称 金属锉刀 复制胶膜 螺帽规 背孔刀 气动主轴 自动换刀主轴 防静电主轴 MSIY电主轴 高精密主轴 大扭矩电主轴 高斯计 直角电主轴 进口百分表 扭力起子 中村扭力扳手 脱磁器 螺纹深度规 主轴增速刀柄 RBZ浮动主轴 中心出水电主轴 气浮主轴 螺纹规
- 按应用领域分类
- 工程机械 数控机床 汽车制造 电子/光电 橡胶皮革检测 船舶制造 实验室/研究院 纺织业 精加工 雕刻 珠宝首饰 陶瓷工业 抛光去毛刺 PCB分板机加工 铣削加工 钻孔动力头 医疗加工 走心机高频铣 浮动去毛刺 小径深孔加工
- 按品牌分类
- AAA ASKER B2 BOWERS CITIZEN DMT FUJITOOL FISSO FUJIGEN HONDA GLOI HEINE KANETEC IMADA KANON KAYDIAMOND KROEPLIN MEYER MARUI MITUTOYO NAKANISHI PEACOCK PEAK PHOENIX PI-TAPE RSK RHEINTACHO SK SPI SUN SUPERTECH SWAN UNIVERSAL NOVAPAX XEBEC WIXEY Teclock tohnichi 富士KOSOKU RUBICON KEIBA TAJIMA NIKON Stanley SPI Engeering MARKAL PTC TMC THERMAX RION SHINKO STAO佐藤 TSUBOSAN OSKAR SCHWENK MARK-10 Microset starrett EENPAIX OJIYAS DIGITECH ROECKLE tites swiss Yamato Cherry DAIWA RABIN MSIY NRS PPS NSK
相关资讯
- 进口偏心检查器使用及保养
- 分板机主轴,更多人选择日本NAKANISHI
- 如何判断一台数控加工中心机床的精度?
- 日本本多HONDA超声波切割刀有哪几个型号?
- 0.5mm立铣刀铣削钢件?加装15万转气动主轴
- 分板机主轴为何要选择日本NAKNSIHI高速主轴?
- NAKANISHI马达有的带J有的不带J?
- 塑料件毛刺,机械臂加装30AQC自动换刀浮动主轴
- NAKANISHI控制器出现E7报警
- 汽车油泥模型刮刀用那个牌子磨刀石比较好?
- 不锈钢高精密内圆研磨,用1.2KW中心出水电主轴
- nakanishi中西6万转电主轴EMS-3060K,功率350W
- 铸造用砂芯去毛刺,工业机器人加装RBZ-30浮动主轴
- NSK防静电主轴NR33-6000ATC-ESD消除静电原理
- NAKANISHI高速主轴试运转操作方法
- 推荐一款高性能的手持式超声波打磨机(视频)
- 可直接装在CNC机床上的NSK高速主轴
- 日本NSK分板机主轴常用型号有哪些?
- 目前智能切割设备为何加装NAKANISHI高速主轴
- 钛合金钻0.2mm,用6万转高速电主轴
咨询热线:
13612997620
传真:彩博8880755-23033513
Q Q:
地址:深圳市宝安49区华创达文化科技产业园D栋507
产品详情
联系我们
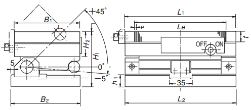
SBP-R-S日本强力钢化正弦磁台
磁性吸盘特点:

外侧长类型长一侧倾斜轴精密磨削和测量。
整个正弦磁盘是表面是有特殊钢铁硬化处理,确保长时间使用也能保证精密的磨削和测量。
因为使用永久磁铁,没有热生成,保证加工的精密性。
磁性吸盘参数:



强力正弦磁台,高精密正弦磁台,钢化正弦磁台
订购:SBP-R-S日本强力钢化正弦磁台








1960544536 


