春亨产品中心
- 按产品特性分类
- 水平仪 偏心仪 角度计 直角尺 同心度仪 高速主轴 内外测卡规 打磨机 钻石膏 各种量表 磨刀石 研磨油石 切削刀具 研磨刷 研磨工具 磁性工具 放大镜 内视镜 卡尺 千分尺 圆周尺 扭力工具 针规 间隙规 速度测试 高度尺/计 测量工具 硬度计 段差尺 焊道规 V型座 磁性吸盘 推拉力计 吊重磁盘 工业胶粘剂 研磨抛光 钳类工具 旋具工具 热敏试纸 粘度计 电子称 金属锉刀 复制胶膜 螺帽规 背孔刀 气动主轴 自动换刀主轴 防静电主轴 MSIY电主轴 高精密主轴 大扭矩电主轴 高斯计 直角电主轴 进口百分表 扭力起子 中村扭力扳手 脱磁器 螺纹深度规 主轴增速刀柄 RBZ浮动主轴 中心出水电主轴 气浮主轴 螺纹规
- 按应用领域分类
- 工程机械 数控机床 汽车制造 电子/光电 橡胶皮革检测 船舶制造 实验室/研究院 纺织业 精加工 雕刻 珠宝首饰 陶瓷工业 抛光去毛刺 PCB分板机加工 铣削加工 钻孔动力头 医疗加工 走心机高频铣 浮动去毛刺 小径深孔加工
- 按品牌分类
- AAA ASKER B2 BOWERS CITIZEN DMT FUJITOOL FISSO FUJIGEN HONDA GLOI HEINE KANETEC IMADA KANON KAYDIAMOND KROEPLIN MEYER MARUI MITUTOYO NAKANISHI PEACOCK PEAK PHOENIX PI-TAPE RSK RHEINTACHO SK SPI SUN SUPERTECH SWAN UNIVERSAL NOVAPAX XEBEC WIXEY Teclock tohnichi 富士KOSOKU RUBICON KEIBA TAJIMA NIKON Stanley SPI Engeering MARKAL PTC TMC THERMAX RION SHINKO STAO佐藤 TSUBOSAN OSKAR SCHWENK MARK-10 Microset starrett EENPAIX OJIYAS DIGITECH ROECKLE tites swiss Yamato Cherry DAIWA RABIN MSIY NRS PPS NSK
相关资讯
- 进口扭力起子——KANON中村
- 西铁城走心机Cincom R02W加装高速主轴BMS-4040RA
- 瑞士FISSO万向磁性座之大型万向磁性座
- MSIY大扭矩电主轴,输出功率1400W,高性价比
- 铝型材去毛刺,用MSIY-3316电主轴配xebec背孔刀
- PEACOCK背测型百分表,专注自动化设备
- 德国kroeplin常用的内径比较测量型号有哪些?
- 加装NSK高速主轴实现高品质加工
- 压铸铝去毛刺,机械臂加装msiy-40浮动主轴
- NAKANISHI精密型主轴之ISPEED3系列
- KANON扭力扳手在汽车DIY改装中的作用
- MSIY-3316无刷电主轴,走心机、排刀机、专机可加装
- 日本富士元FUJIGEM倒角机——您的最优之选
- 津上走心机BO205钻铜件5.4mm*25mm的孔技术难点
- RSK水平尺校平机床平台
- 压铸件去凸台,机械臂加装2.2KW大扭矩浮动主轴
- 广告异形高速切割主轴,您身边的切割专家!
- MSIY-4020大扭矩高速电主轴应用领域
- ASKER橡胶硬度计
- 齿轮轴打磨倒角,用NAKANISHI浮动电主轴,实现柔性打磨
咨询热线:
13612997620
传真:彩博8880755-23033513
Q Q:
地址:深圳市宝安49区华创达文化科技产业园D栋507
产品详情
联系我们
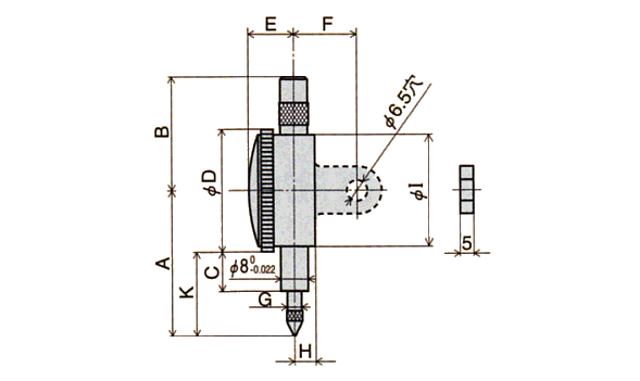
百分表17B
产品特点:

满足严格、严谨的连续测量
测针有不锈钢制成,强度高
产品参数:

型号:17B
精度:0.01mm
量程:0.8mm
测头型号为:X-1
型 式 | 目 量 | 测定范围 | 刻度规格 | 指示誤差 (μm) | 返回誤差 | 重复 | 測定力 | ||||
1/10旋转 | 1/2旋转 | 1旋转 | 2旋转 | 全测定范围 | |||||||
15Z | 0.001 | 0.16 (3.0) | 80 - 0 - 80 | 2.5 | ±3 | ±4 | -- | -- | 3 | 0.5 | 1.5 |
15Z-SWF | 0.001 | 0.16 (3.0) | 80 - 0 - 80 | 2.5 | ±3 | ±4 | -- | -- | 3 | 0.5 | 1.5 |
5Z | 0.001 | 0.14 (3.0) | 70 - 0 - 70 | 2.5 | ±3 | ±4 | -- | -- | 3 | 0.5 | 1.5 |
5Z-XB | 0.001 | 0.14 (3.0) | 70 - 0 - 70 | 2.5 | ±3 | ±4 | -- | -- | 3 | 0.5 | 1.5 |
15DZ | 0.001 | 0.16 (3.0) | 80 - 0 - 80 | 2.5 | ±3 | ±4 | -- | -- | 3 | 0.7 | 1.5 |
18 | 0.001 | 0.16 (3.0) | 80 - 0 - 80 | 2.5 | ±3 | ±4 | -- | -- | 3 | 0.5 | 1.5 |
36Z | 0.005 | 0.4 (3.0) | 20 - 0 - 20 | -- | -- | ±10 | -- | -- | 5 | 5 | 1.4 |
117Z | 0.01 | 1.0 (7.0) | 50 - 0 - 50 | 8 | ±9 | ±10 | -- | -- | 5 | 5 | 1.4 |
17Z | 0.01 | 0.8 (7.0) | 40 - 0 - 40 | 8 | ±9 | ±10 | -- | -- | 5 | 5 | 1.4 |
17Z-SWA | 0.01 | 0.8 (7.0) | 40 - 0 - 40 | 8 | ±9 | ±10 | -- | -- | 5 | 5 | 1.4 |
107Z | 0.01 | 0.8 (7.0) | 40 - 0 - 40 | 8 | ±9 | ±10 | -- | -- | 5 | 5 | 1.4 |
107Z-XB | 0.01 | 0.8 (7.0) | 40 - 0 - 40 | 8 | ±9 | ±10 | -- | -- | 5 | 5 | 1.4 |
17B | 0.01 | 0.8 (10) | 40 - 0 - 40 | 8 | ±9 | ±10 | -- | -- | 5 | 5 | 1.4 |
47SZ | 0.01 | 0.8 (4.0) | 40 - 0 - 40 | 9 | -- | ±13 | -- | -- | 6 | 5 | 1.4 |
196Z | 0.01 | 0.8 (4.0) | 40 - 0 - 40 | 10 | ±12 | ±15 | -- | -- | 6 | 5 | 1.4 |
147Z | 0.01 | 1.0 (4.0) | 50 - 0 - 50 | 9 | -- | ±13 | -- | -- | 6 | 5 | 1.4 |
47Z | 0.01 | 0.8 (4.0) | 40 - 0 - 40 | 9 | -- | ±13 | -- | -- | 6 | 5 | 1.4 |
47Z-XB | 0.01 | 0.8 (4.0) | 40 - 0 - 40 | 9 | -- | ±13 | -- | -- | 6 | 5 | 1.4 |
产品尺寸:

型 式 | |
15Z (15ZL) | 60 |
15Z-SWF (15Z-SWFL) | 62.5 |
5Z (5ZL) | 66.4 |
5Z-XB (5Z-XBL) | 69.4 |
15DZ (15DZL) | 69.4 |
18 (18L) | 69.4 |
36Z (36ZL) | 60 |

订购:百分表17B








1960544536 


