春亨产品中心
- 按产品特性分类
- 水平仪 偏心仪 角度计 直角尺 同心度仪 高速主轴 内外测卡规 打磨机 钻石膏 各种量表 磨刀石 研磨油石 切削刀具 研磨刷 研磨工具 磁性工具 放大镜 内视镜 卡尺 千分尺 圆周尺 扭力工具 针规 间隙规 速度测试 高度尺/计 测量工具 硬度计 段差尺 焊道规 V型座 磁性吸盘 推拉力计 吊重磁盘 工业胶粘剂 研磨抛光 钳类工具 旋具工具 热敏试纸 粘度计 电子称 金属锉刀 复制胶膜 螺帽规 背孔刀 气动主轴 自动换刀主轴 防静电主轴 MSIY电主轴 高精密主轴 大扭矩电主轴 高斯计 直角电主轴 进口百分表 扭力起子 中村扭力扳手 脱磁器 螺纹深度规 主轴增速刀柄 RBZ浮动主轴 中心出水电主轴 气浮主轴 螺纹规
- 按应用领域分类
- 工程机械 数控机床 汽车制造 电子/光电 橡胶皮革检测 船舶制造 实验室/研究院 纺织业 精加工 雕刻 珠宝首饰 陶瓷工业 抛光去毛刺 PCB分板机加工 铣削加工 钻孔动力头 医疗加工 走心机高频铣 浮动去毛刺 小径深孔加工
- 按品牌分类
- AAA ASKER B2 BOWERS CITIZEN DMT FUJITOOL FISSO FUJIGEN HONDA GLOI HEINE KANETEC IMADA KANON KAYDIAMOND KROEPLIN MEYER MARUI MITUTOYO NAKANISHI PEACOCK PEAK PHOENIX PI-TAPE RSK RHEINTACHO SK SPI SUN SUPERTECH SWAN UNIVERSAL NOVAPAX XEBEC WIXEY Teclock tohnichi 富士KOSOKU RUBICON KEIBA TAJIMA NIKON Stanley SPI Engeering MARKAL PTC TMC THERMAX RION SHINKO STAO佐藤 TSUBOSAN OSKAR SCHWENK MARK-10 Microset starrett EENPAIX OJIYAS DIGITECH ROECKLE tites swiss Yamato Cherry DAIWA RABIN MSIY NRS PPS NSK
相关资讯
- 出4套30AQC自动换刀浮动主轴,汽车零部件去毛刺
- 春亨工具详解进口百分表的结构和使用
- 工业机器人去毛刺主轴,就选MSIY浮动主轴
- 铝铸件5mm毛刺,用MSIY-62浮动电主轴,功率500W
- 机床行业,标配产品——RSK水平尺
- 全球十大电主轴生产商排行(排名不分先后)
- 杠杆表使用注意事项与应用
- 铝合金边缘去毛刺,用msiy浮动刀柄+浮动锉刀使用
- 齿轮倒角去毛刺,用NSK高速电主轴EMS-3060K
- 【交叉孔去毛刺】还在担心交叉孔去毛刺问题吗?
- Φ1.2mm焊嘴孔如何加工?用NAKANISHI高精密主轴实现
- 凸轮机钻0.5mm小孔,用5万转精密电主轴
- KANON针盘式中村扭力扳手
- 斯大走心机钻φ0.3*19.9mm深孔,用高频铣可以加工吗?
- XEEBC油石有哪几种类型?该如何选型?
- 日本PEACOCK界限量表——实现自动化质检的必备仪器
- ES50T-HR大力矩打磨机吗,功率200W,转速5万
- 铝合金焊缝打磨,机械臂加装msiy-80轴向浮动
- 买百分表选择什么品牌好?
- 铸铁件去3mm余量毛刺,用MSIY-40浮动电主轴
咨询热线:
13612997620
传真:彩博8880755-23033513
Q Q:
地址:彩博888深圳市宝安49区华创达文化科技产业园D栋507
产品详情
联系我们
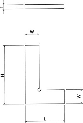
日本大菱obishi平行直角定规

日本大菱obishi平行直角定规,符合JIS B7526标准,用于进行平方测量。测量夹具和工具的直角、安装夹具和工具的直角、产品的直角等。可分为1级硬化产品和2级非硬化产品两大类。
大菱平行直角定规产品示意图
大菱平行直角定规1级硬化产品参数
| 型号 | 长度 | 尺寸(高×长×宽×厚)mm | 方形度(μm) | 重量(公斤) |
| FA101 | 75 | 75×50×18×3 | ±14 | 0.1 |
| FA102 | 100 | 100×70×20×4 | ±15 | 0.1 |
| FA104 | 150 | 150×100×25×5 | ±18 | 0.2 |
| FA105 | 200 | 200×130×25×8 | ±20 | 0.5 |
| FA107 | 300 | 300×200×30×8 | ±25 | 0.9 |
| FA108 | 400 | 400×200×40×8 | ±30 | 1.5 |
| FA109 | 500 | 500×300×40×8 | ±35 | 2.1 |
| FA110 | 600 | 600×325×50×11 | ±40 | 4.0 |
| FA111 | 750 | 750×400×50×11 | ±48 | 5.0 |
| FA112 | 1000 | 1000×550×60×12 | ±60 | 9.0 |
| FA113 | 1500 | 1500×700×65×12 | ±85 | 14.0 |
| FA114 | 2000 | 2000×1000×80×12 | ±110 | 24.0 |
大菱平行直角定规2级非硬化产品参数
| 型号 | 尺寸 | 尺寸(高×长×宽×厚)mm | 方形度(μm) | 重量(公斤) |
| FB101 | 75 | 75×50×18×3 | ±27 | 0.1 |
| FB102 | 100 | 100×70×20×4 | ±30 | 0.1 |
| FB104 | 150 | 150×100×25×5 | ±35 | 0.2 |
| FB105 | 200 | 200×130×25×6 | ±40 | 0.35 |
| FB107 | 300 | 300×200×30×6 | ±50 | 0.6 |
| FB109 | 400 | 400×200×40×8 | ±60 | 1.5 |
| FB111 | 500 | 500×255×40×8 | ±70 | 1.8 |
| FB112 | 600 | 600×300×40×8 | ±80 | 2.5 |
| FB113 | 1000 | 1000×500×50×10 | ±120 | 5.5 |
| FB114 | 1500 | 1500×700×65×12 | ±170 | 14.0 |
| FB115 | 2000 | 2000×1000×80×12 | ±220 | 24.0 |
平行直角定规 进口直角尺 平行直角尺
彩博888 订购:大菱obishi平行直角定规
跟此产品相关的产品









1960544536