春亨产品中心
- 按产品特性分类
- 水平仪 偏心仪 角度计 直角尺 同心度仪 高速主轴 内外测卡规 打磨机 钻石膏 各种量表 磨刀石 研磨油石 切削刀具 研磨刷 研磨工具 磁性工具 放大镜 内视镜 卡尺 千分尺 圆周尺 扭力工具 针规 间隙规 速度测试 高度尺/计 测量工具 硬度计 段差尺 焊道规 V型座 磁性吸盘 推拉力计 吊重磁盘 工业胶粘剂 研磨抛光 钳类工具 旋具工具 热敏试纸 粘度计 电子称 金属锉刀 复制胶膜 螺帽规 背孔刀 气动主轴 自动换刀主轴 防静电主轴 MSIY电主轴 高精密主轴 大扭矩电主轴 高斯计 直角电主轴 进口百分表 扭力起子 中村扭力扳手 脱磁器 螺纹深度规 主轴增速刀柄 RBZ浮动主轴 中心出水电主轴 气浮主轴 螺纹规
- 按应用领域分类
- 工程机械 数控机床 汽车制造 电子/光电 橡胶皮革检测 船舶制造 实验室/研究院 纺织业 精加工 雕刻 珠宝首饰 陶瓷工业 抛光去毛刺 PCB分板机加工 铣削加工 钻孔动力头 医疗加工 走心机高频铣 浮动去毛刺 小径深孔加工
- 按品牌分类
- AAA ASKER B2 BOWERS CITIZEN DMT FUJITOOL FISSO FUJIGEN HONDA GLOI HEINE KANETEC IMADA KANON KAYDIAMOND KROEPLIN MEYER MARUI MITUTOYO NAKANISHI PEACOCK PEAK PHOENIX PI-TAPE RSK RHEINTACHO SK SPI SUN SUPERTECH SWAN UNIVERSAL NOVAPAX XEBEC WIXEY Teclock tohnichi 富士KOSOKU RUBICON KEIBA TAJIMA NIKON Stanley SPI Engeering MARKAL PTC TMC THERMAX RION SHINKO STAO佐藤 TSUBOSAN OSKAR SCHWENK MARK-10 Microset starrett EENPAIX OJIYAS DIGITECH ROECKLE tites swiss Yamato Cherry DAIWA RABIN MSIY NRS PPS NSK
相关资讯
- MSIY直角浮动主轴,专为铸件内孔去毛刺而研发
- 进口水平仪首选日本RSK品牌
- 春亨工具售后服务中心及技术支持
- 陶瓷等工艺品雕刻、打磨、抛光用这款4万转精密打磨机
- 超声波打磨机哪个牌子好?强烈推荐日本这两个牌子!
- 200W的微型高速电主轴有哪些型号推荐?
- NAKANISHI打磨机在加工行业的应用
- 交叉孔去毛刺之陶瓷纤维研磨刷
- NSK打磨机控制器可配2支打磨头,粗磨、精抛一体化
- 精密去毛刺研磨刷选哪个牌子好?日本锐必克XEBEC(视频)
- 去毛刺自动化——表面去毛刺
- 看完这个,你才知道你究竟想要买的是什么品牌的卡规
- 让客户认可的RSK水平仪
- 今日之行,触目见琳琅珠玉----孔雀量表
- 日本EISEN针规型号大全
- NSK高速主轴使用砂轮和切削工具时的注意事项
- 注塑件水口切割新技术,三轴坐标机加装msiy-40电主轴
- 大型钢板边缘毛刺,6轴机械臂加装浮动主轴去除
- 中村扭力计手工检测各项产品输出扭矩
- 6000转气动主轴MSS-2506R,多种数控车床可加装
咨询热线:
彩博888 13612997620
传真:0755-23033513
Q Q:
地址:深圳市宝安49区华创达文化科技产业园D栋507
产品详情
联系我们
日本强力kanetec大型电磁吊重磁盘(整流器内藏)

日本强力kanetec大型电磁吊重磁盘(整流器内藏)型,型号LM-R45,适用于铁屑、铁块搬运。吸着力5800kgf。
大型电磁吊重磁盘特点
彩博888(1)内藏式整流器,可以隔远操作,操作电缆需另外购买;
彩博888(2)防滴设计,可以在户外使用;
彩博888(3)内有消磁功能,使吸着物容易脱离。
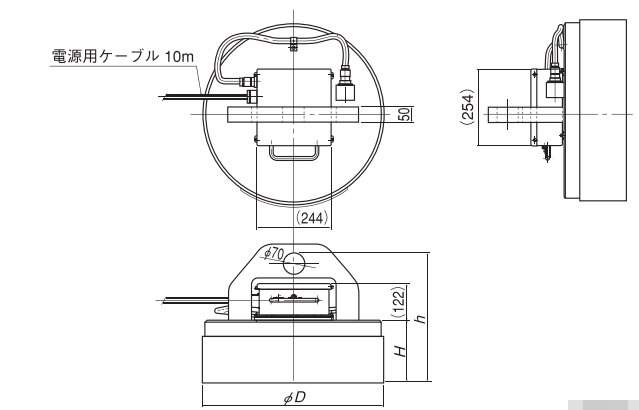
大型电磁吊重磁盘产品尺寸

大型电磁吊重磁盘产品参数

大型电磁吊重磁盘 整流器内藏吊重磁盘 强力吊重磁盘
彩博888 订购:大型电磁吊重磁盘
跟此产品相关的产品








1960544536