春亨产品中心
- 按产品特性分类
- 水平仪 偏心仪 角度计 直角尺 同心度仪 高速主轴 内外测卡规 打磨机 钻石膏 各种量表 磨刀石 研磨油石 切削刀具 研磨刷 研磨工具 磁性工具 放大镜 内视镜 卡尺 千分尺 圆周尺 扭力工具 针规 间隙规 速度测试 高度尺/计 测量工具 硬度计 段差尺 焊道规 V型座 磁性吸盘 推拉力计 吊重磁盘 工业胶粘剂 研磨抛光 钳类工具 旋具工具 热敏试纸 粘度计 电子称 金属锉刀 复制胶膜 螺帽规 背孔刀 气动主轴 自动换刀主轴 防静电主轴 MSIY电主轴 高精密主轴 大扭矩电主轴 高斯计 直角电主轴 进口百分表 扭力起子 中村扭力扳手 脱磁器 螺纹深度规 主轴增速刀柄 RBZ浮动主轴 中心出水电主轴 气浮主轴 螺纹规
- 按应用领域分类
- 工程机械 数控机床 汽车制造 电子/光电 橡胶皮革检测 船舶制造 实验室/研究院 纺织业 精加工 雕刻 珠宝首饰 陶瓷工业 抛光去毛刺 PCB分板机加工 铣削加工 钻孔动力头 医疗加工 走心机高频铣 浮动去毛刺 小径深孔加工
- 按品牌分类
- AAA ASKER B2 BOWERS CITIZEN DMT FUJITOOL FISSO FUJIGEN HONDA GLOI HEINE KANETEC IMADA KANON KAYDIAMOND KROEPLIN MEYER MARUI MITUTOYO NAKANISHI PEACOCK PEAK PHOENIX PI-TAPE RSK RHEINTACHO SK SPI SUN SUPERTECH SWAN UNIVERSAL NOVAPAX XEBEC WIXEY Teclock tohnichi 富士KOSOKU RUBICON KEIBA TAJIMA NIKON Stanley SPI Engeering MARKAL PTC TMC THERMAX RION SHINKO STAO佐藤 TSUBOSAN OSKAR SCHWENK MARK-10 Microset starrett EENPAIX OJIYAS DIGITECH ROECKLE tites swiss Yamato Cherry DAIWA RABIN MSIY NRS PPS NSK
相关资讯
- 日本强力高斯计TM-801
- KANON中村扭力扳手提升紧固件寿命
- 砂芯合模线,用fine techno浮动刀柄AF10可去除
- 日本强力kanetec万向磁性表座有哪几种?
- 【进口水平尺】选对了,用户才会满意而笑
- RSK水平仪因为好用所以更多人选择
- 冬奥会速度滑冰专用磨刀石
- 铸造用砂芯去毛刺,工业机器人加装RBZ-30浮动主轴
- NAKANSIHI高速电主轴在内圆/精磨领域应用
- 西铁城走心机R02W加装大扭矩电主轴BMS-4020RA
- NAKANISHI中心出水电主轴BMS-4020-MQL-CHK优点分析
- 国产走芯机钻不锈钢φ4*19mm内孔加装哪款高频铣?
- 中西高频铣BM-322与BM-322FL有何区别?
- 进口电主轴品牌有哪些牌子值得推荐?
- 德国莱茵rheintacho可编程速度监视器有哪些优点?
- 瑞士TITES螺纹规,高精密微小型螺纹规(可定制)
- NSK手动换刀主轴NR40-5100ATC:PCB钻孔/切割精密利器
- 一文读懂超声波切割刀技术原理
- NAKANISHI防静电主轴可防止ECU电子元件遭损坏
- 锐必克表面研磨刷,自动化去表面微小毛刺理想选择!
咨询热线:
13612997620
传真:0755-23033513
Q Q:
地址:深圳市宝安49区华创达文化科技产业园D栋507
产品详情
联系我们
走心机高频铣MSIY-2080

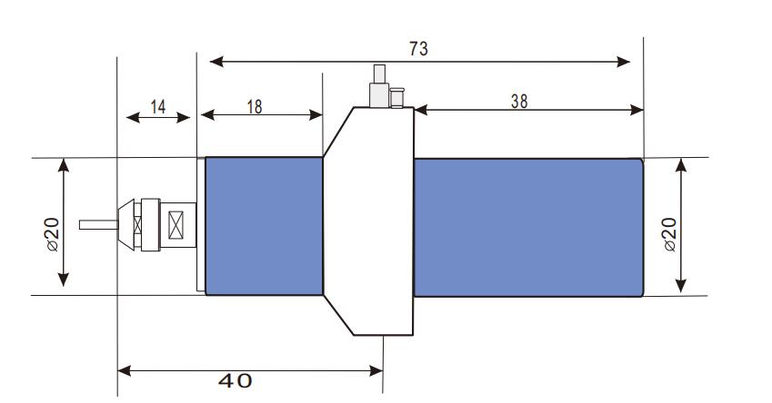
高频铣MSIY-2080,走心机高频铣动力头,带法兰盘,可直接加装在走心机刀座孔上使用。用以提高走心机转速和精度,从而对微型精密零件进行铣削、钻孔、高光等高精度加工。这款高频铣的优点在于性价比高。
高频铣MSIY-2080产品参数
彩博888型号:MSIY-2080
货号:2080-BME8
外径:20mm
彩博888转速:1000-80000rpm可调节
输出功率:150W
扭矩:6N.cm
夹头类型:ER8
防护等级:IP64
重量:270g
彩博888刀具可夹持范围:φ1.0-4.0mm
高频铣MSIY-2080产品尺寸

高频铣MSIY-2080扭矩输出大小

高频铣 精密电主轴 微型电主轴 msiy电主轴
订购:高频铣MSIY-2080
跟此产品相关的产品








1960544536