春亨产品中心
- 按产品特性分类
- 水平仪 偏心仪 角度计 直角尺 同心度仪 高速主轴 内外测卡规 打磨机 钻石膏 各种量表 磨刀石 研磨油石 切削刀具 研磨刷 研磨工具 磁性工具 放大镜 内视镜 卡尺 千分尺 圆周尺 扭力工具 针规 间隙规 速度测试 高度尺/计 测量工具 硬度计 段差尺 焊道规 V型座 磁性吸盘 推拉力计 吊重磁盘 工业胶粘剂 研磨抛光 钳类工具 旋具工具 热敏试纸 粘度计 电子称 金属锉刀 复制胶膜 螺帽规 背孔刀 气动主轴 自动换刀主轴 防静电主轴 MSIY电主轴 高精密主轴 大扭矩电主轴 高斯计 直角电主轴 进口百分表 扭力起子 中村扭力扳手 脱磁器 螺纹深度规 主轴增速刀柄 RBZ浮动主轴 中心出水电主轴 气浮主轴 螺纹规
- 按应用领域分类
- 工程机械 数控机床 汽车制造 电子/光电 橡胶皮革检测 船舶制造 实验室/研究院 纺织业 精加工 雕刻 珠宝首饰 陶瓷工业 抛光去毛刺 PCB分板机加工 铣削加工 钻孔动力头 医疗加工 走心机高频铣 浮动去毛刺 小径深孔加工
- 按品牌分类
- AAA ASKER B2 BOWERS CITIZEN DMT FUJITOOL FISSO FUJIGEN HONDA GLOI HEINE KANETEC IMADA KANON KAYDIAMOND KROEPLIN MEYER MARUI MITUTOYO NAKANISHI PEACOCK PEAK PHOENIX PI-TAPE RSK RHEINTACHO SK SPI SUN SUPERTECH SWAN UNIVERSAL NOVAPAX XEBEC WIXEY Teclock tohnichi 富士KOSOKU RUBICON KEIBA TAJIMA NIKON Stanley SPI Engeering MARKAL PTC TMC THERMAX RION SHINKO STAO佐藤 TSUBOSAN OSKAR SCHWENK MARK-10 Microset starrett EENPAIX OJIYAS DIGITECH ROECKLE tites swiss Yamato Cherry DAIWA RABIN MSIY NRS PPS NSK
相关资讯
- 交叉孔去毛刺之陶瓷纤维研磨刷
- 世界著名卡规品牌——德国KROEPLIN
- NR40-5100高速主轴不掉刀?
- 加工中心模具高光加工,加装中西HES510增速刀柄
- 常用水平校准量具——RSK水平仪
- NAKANISHI大扭矩电主轴,直径40mm,输出功率1200W
- 论高速主轴在精密加工中的重要性
- 机器人自动化去轴承铁鳞,用大扭矩电主轴BMS-4020
- 铝铸件自动化去毛刺,用FT浮动去毛刺主轴(视频)
- 日本NAKANISHI高速主轴NR-3060S安装说明
- 中西NAKANISHI气动打磨机NSP-601,精密研磨抛光
- 出一套中西NAKANISHI换刀主轴NRR-3060,转速6万
- 中西NAKANISHI打磨机,冲压件、铸造件等修边处理
- 进口水平仪,RSK新泻理研是首选
- RSK水平仪零位如何调整
- 进口高速大扭矩电主轴,这6款产品可以选择!
- 斜面孔自动化去毛刺,选择日本锐必克背孔刀&程序
- 日本富士元FUJIGEN倒角机
- 高精密全检界限量表如何使用?
- 涡轮叶片芯材如何去毛刺,春亨工具给您两种解决方案
咨询热线:
13612997620
传真:0755-23033513
Q Q:
地址:深圳市宝安49区华创达文化科技产业园D栋507
产品详情
联系我们
特点:小型化设计,静音,高速性
FA系列滚珠丝杆的特点
为随时应对多样化的需求,将端部导流循环方式的高速、静音、紧凑型的“紧凑型系列”作为标准在库。这一系列产品凭借其静音化的特点,广泛应用于半导体制造装置、液晶设备、安装机、检测仪器、食品、医疗器械、汽车生产线设备等各领域。
●静音
听觉上降低了 50%,噪音水平减小 6dB。

●紧凑
螺母外径最多可缩小 30%。以 XY 工作台的薄型化为代表,可用于各种机器装置的小型化设计。

●高速
极限转速最高可达 5 000min’,可使用范围明显增大。(极限转速的详情请参考尺寸表)
●润滑脂油嘴标准装备
润滑脂油嘴(M5x0.8)为标准装备,有两个注油口,易于使用,且容易与集中配管连接。
●接触式密封圈
采用接触式密封圈,螺母外观与管循环式相比,实现了紧凑型设计。
●低型设计

配合小型 FA 系统 PSS 型设置专用的低型支撑单元,设计独特新颖。
低生尘 LG2 润滑脂(USS 型)
与原有 FA 系列相比生尘量约为其的 1/100。最适合清洁用途。

简单的行程设定(FSS 型)
将支撑侧的支撑单元安装到反固定侧的滚珠丝杠螺纹轴上,因此,固定支持构造的行程设定变得更加灵活。NSK 提供支撑侧专用支撑单元。
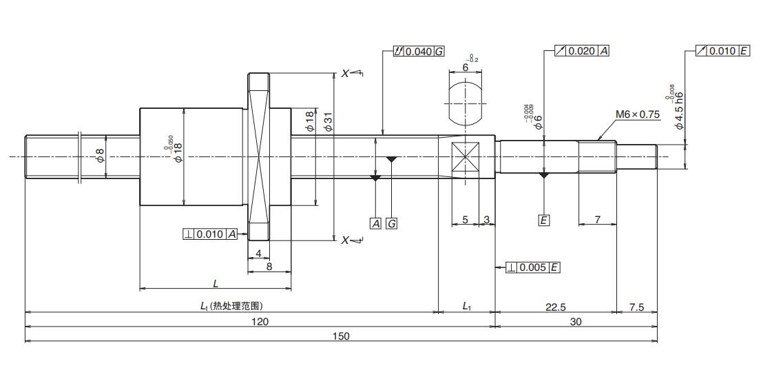
●行程

公称行程:使用时行程的标准值。最大行程:丝杠轴部分长度(L)减去螺母长度得到的螺母实际可移动行程。
●导程精度
PSS 型:C5 级;USS 型:C3级;FSS型:
Ct7 级
T:目标值、e:误差、u:变动
极限转速
d·n
受丝杠轴和螺母的相对的圆周速度限制。
危险速度受丝杠轴的固定有振动数限制。安装方法不同,危险速度会有不同。
使用时,请低于两者中较低的极限转速。详情请参“技术解说篇:导程精度”(B47 页)。
其他
滚珠丝杠的密封、端部循环部等均使用合成树脂。如在极端的环境或特殊环境下使用,或者使用特殊润滑剂和油时,请与 NSK协商。
同时,紧凑型 FA 装有 NSK K1。
NSK紧凑型滚珠丝杆产品尺寸

紧凑型滚珠丝杆PSS型

彩博888PSS型NSK滚珠丝杆有多种规格和参数,具体可点击链接 PSS型滚珠丝杆
彩博888 订购:紧凑型FA系列NSK滚珠丝杆








1960544536