春亨产品中心
- 按产品特性分类
- 水平仪 偏心仪 角度计 直角尺 同心度仪 高速主轴 内外测卡规 打磨机 钻石膏 各种量表 磨刀石 研磨油石 切削刀具 研磨刷 研磨工具 磁性工具 放大镜 内视镜 卡尺 千分尺 圆周尺 扭力工具 针规 间隙规 速度测试 高度尺/计 测量工具 硬度计 段差尺 焊道规 V型座 磁性吸盘 推拉力计 吊重磁盘 工业胶粘剂 研磨抛光 钳类工具 旋具工具 热敏试纸 粘度计 电子称 金属锉刀 复制胶膜 螺帽规 背孔刀 气动主轴 自动换刀主轴 防静电主轴 MSIY电主轴 高精密主轴 大扭矩电主轴 高斯计 直角电主轴 进口百分表 扭力起子 中村扭力扳手 脱磁器 螺纹深度规 主轴增速刀柄 RBZ浮动主轴 中心出水电主轴 气浮主轴 螺纹规
- 按应用领域分类
- 工程机械 数控机床 汽车制造 电子/光电 橡胶皮革检测 船舶制造 实验室/研究院 纺织业 精加工 雕刻 珠宝首饰 陶瓷工业 抛光去毛刺 PCB分板机加工 铣削加工 钻孔动力头 医疗加工 走心机高频铣 浮动去毛刺 小径深孔加工
- 按品牌分类
- AAA ASKER B2 BOWERS CITIZEN DMT FUJITOOL FISSO FUJIGEN HONDA GLOI HEINE KANETEC IMADA KANON KAYDIAMOND KROEPLIN MEYER MARUI MITUTOYO NAKANISHI PEACOCK PEAK PHOENIX PI-TAPE RSK RHEINTACHO SK SPI SUN SUPERTECH SWAN UNIVERSAL NOVAPAX XEBEC WIXEY Teclock tohnichi 富士KOSOKU RUBICON KEIBA TAJIMA NIKON Stanley SPI Engeering MARKAL PTC TMC THERMAX RION SHINKO STAO佐藤 TSUBOSAN OSKAR SCHWENK MARK-10 Microset starrett EENPAIX OJIYAS DIGITECH ROECKLE tites swiss Yamato Cherry DAIWA RABIN MSIY NRS PPS NSK
相关资讯
- 机器人去除航空发动机涡轮毛刺,加装RBZ浮动电主轴
- 专业值得信赖——日本PEACOCK(孔雀)
- 进口孔距卡尺,日本中村KANON是您不二之选.
- 铝合金钻孔用高速电主轴NR-3060S,性价比高
- 中西NAKANISHI磨床专用电主轴NRAF-5080
- 细数几款常用的日本NAKANISHI直角电主轴型号
- 盘点日本超声波切割刀USW-334的五大优势
- 春亨工具完善技术服务支持
- 国产排刀机加装8万转高频铣,可实现镜面高光加工
- 斯大走心机SB12背轴加装高频铣,实现螺帽梅花铣削
- NAKANISHI自动换刀主轴NR3060-AQC的换刀原理
- 广告切割专用高精度高速主轴
- 日本NAKANISHI大功率气动打磨机常用型号
- NSK马达EM25-5000-J4和EM25N-5000-J4之间有什么不同?
- 小径内螺纹加工提速神器,8万转小型电主轴
- 铸铁壳体打磨抛光,机械臂加装MSIY自动换刀浮动主轴
- 陶瓷圆棒精密研磨,用MSIY-B80控制器配4支主轴
- 【新产品】KATO浮动头去毛刺
- 一文读懂日本XEBEC背孔刀多种切削路径解决方案
- 津上走心机385设计治具加装高频铣,实现精密侧铣
咨询热线:
彩博888 13612997620
传真:彩博8880755-23033513
Q Q:
地址:彩博888深圳市宝安49区华创达文化科技产业园D栋507
产品详情
联系我们
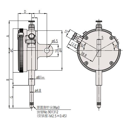
日本三丰mitutoyo指针式百分表2050S

日本三丰mitutoyo指针式百分表2050S,测量范围20mm,精度0.01mm,带耳后盖型。长行程型指针指示表,防水型指示表具有57mm外径的前框,所有型号都有限值爪和紧锁装置,扇形齿轮使用特俗合金,提高了耐磨性。
三丰百分表2050S产品特点

1.防水型指示表具有57mm外径的前框,所有型号都有限值爪和紧锁装作;
彩博888 2.表盘和表蒙之间通过0型环很好地紧固粘着,起到防水放油的效果;
彩博888 3.高强度淬火不锈钢测杆,适于高强度测量;
3.采用硬质合测针;
4.扇形齿轮使用特俗合金,提高了耐磨性;
5.表蒙采用硬涂层,具有防刮擦和防化学试剂的能力。
6.锁紧装置和提升杆*(选件)可装在左侧或右侧,这些零件可轻易组装而不需要借助工具;
*不可用于防水型
三丰百分表2050S产品尺寸


三丰百分表2050S型号及参数

三丰百分表 20mm百分表 指针式百分表
订购:mitutoyo指针式百分表2050S
跟此产品相关的产品








1960544536