春亨产品中心
- 按产品特性分类
- 水平仪 偏心仪 角度计 直角尺 同心度仪 高速主轴 内外测卡规 打磨机 钻石膏 各种量表 磨刀石 研磨油石 切削刀具 研磨刷 研磨工具 磁性工具 放大镜 内视镜 卡尺 千分尺 圆周尺 扭力工具 针规 间隙规 速度测试 高度尺/计 测量工具 硬度计 段差尺 焊道规 V型座 磁性吸盘 推拉力计 吊重磁盘 工业胶粘剂 研磨抛光 钳类工具 旋具工具 热敏试纸 粘度计 电子称 金属锉刀 复制胶膜 螺帽规 背孔刀 气动主轴 自动换刀主轴 防静电主轴 MSIY电主轴 高精密主轴 大扭矩电主轴 高斯计 直角电主轴 进口百分表 扭力起子 中村扭力扳手 脱磁器 螺纹深度规 主轴增速刀柄 RBZ浮动主轴 中心出水电主轴 气浮主轴 螺纹规
- 按应用领域分类
- 工程机械 数控机床 汽车制造 电子/光电 橡胶皮革检测 船舶制造 实验室/研究院 纺织业 精加工 雕刻 珠宝首饰 陶瓷工业 抛光去毛刺 PCB分板机加工 铣削加工 钻孔动力头 医疗加工 走心机高频铣 浮动去毛刺 小径深孔加工
- 按品牌分类
- AAA ASKER B2 BOWERS CITIZEN DMT FUJITOOL FISSO FUJIGEN HONDA GLOI HEINE KANETEC IMADA KANON KAYDIAMOND KROEPLIN MEYER MARUI MITUTOYO NAKANISHI PEACOCK PEAK PHOENIX PI-TAPE RSK RHEINTACHO SK SPI SUN SUPERTECH SWAN UNIVERSAL NOVAPAX XEBEC WIXEY Teclock tohnichi 富士KOSOKU RUBICON KEIBA TAJIMA NIKON Stanley SPI Engeering MARKAL PTC TMC THERMAX RION SHINKO STAO佐藤 TSUBOSAN OSKAR SCHWENK MARK-10 Microset starrett EENPAIX OJIYAS DIGITECH ROECKLE tites swiss Yamato Cherry DAIWA RABIN MSIY NRS PPS NSK
相关资讯
- 在找机器人主轴?进口大扭矩电主轴BMS-4020
- NAKANISHI高速主轴---E3000系列
- 橡胶硬度计用什么仪器来校正?选ASKER硬度计校正仪
- xebec无毛刺倒角刀,半导体制造设备冷却水配管块
- MSIY-3316电主轴,走心机、排刀机可加装
- SK钢制针规AA系列,间隙0.01mm/0.005mm可选
- RSK方形水平仪使用方法
- 刀座孔20mm的走心机加装哪个型号高频铣?
- 扭力扳手该如何选型?
- xebec研磨刷套筒,可自动调节研磨刷长度(视频)
- 日本RSK水平仪抢占市场先机,您了解多少呢?
- 气缸座去毛刺浮动,建议使用MSIY自动换刀浮动主轴
- 哪个牌子的里氏硬度计比较好?看这里!
- 劲爆好消息!NSK将于明年春季推出新款超声波系列产品
- NSK高速主轴可以装砂轮实现自动化打磨吗?
- 铸铁打磨去毛刺,用MSIY-40浮动主轴去除
- 机械臂自动换刀电主轴,扭矩最大多少牛米?
- 日本中村QLK扭力扳手怎么用?
- 体积小精度高的得乐杠杆百分表
- 您应该知道的现代模具抛光专用打磨机
咨询热线:
彩博888 13612997620
传真:彩博8880755-23033513
Q Q:
地址:彩博888深圳市宝安49区华创达文化科技产业园D栋507
产品详情
联系我们
汽车离合器鼓轮底盘自动化去毛刺方案

彩博888 汽车离合器鼓轮是汽车变速器的一部分,离合器鼓轮底盘,底部和侧面分别分均分布着8个不规则的孔,这些孔边缘毛刺都需要去除,而且形状不规格,手工打磨人工成本高,效率低,推荐使用机械臂或者非标设备进行自动化去除这些孔边缘毛刺。具体方案如下:

高速电主轴NR-453E+电主轴EM-3060J+浮动装置AF-30,应用于6轴去毛刺机器上就能使用。如下图所示:

汽车离合器鼓轮底盘自动化去毛刺加工条件如下:
| 机器 | FANUC 6轴机械臂 LR Mate 200iD(也可以选择国产机器人或者非标设备) |
| 主轴+马达+浮动装置 | 电主轴NR-453E+电马达EM-3060J+ FINE TECHNO浮动头AF-30 |
| 刀具 | 钨钢钻 φ9.5×8L×φ6 CB46C102S 60° |
| 工件材质 | 高强度钢 (SAPH) |
| 去毛刺条件 | 长孔毛刺 宽1mm×深度0.5mm×16处 |
| 主轴转速 | 14,000 min-1 |
汽车离合器鼓轮底盘自动化去毛刺套装

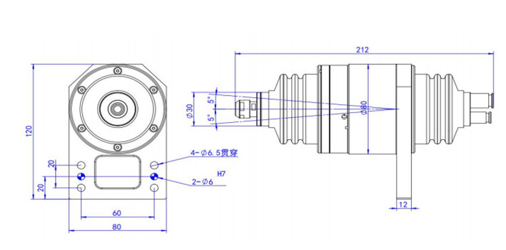
(1)高速电主轴NR-453E ,转速高达5万转/min,跳动精度1μm以内,直径30mm,重量440g,可夹持刀具柄径0.5-6.35mm。

彩博888(2)高速电主轴马达EM-3060J,转速1000-60000转可调,输出功率350W。

(3)日本FINE TECHNO浮动打磨头AF-30,可装夹30mm直径的电主轴,可自行调节浮动力大小,实现轴向上下8mm,径向左右5°浮动,实现柔性去毛刺功能!

上 图为汽车离合器鼓轮底盘去毛刺方案的整套配置,NAKANISHI控制器E3000,可以控制浮动电主轴的启停,调整转速,故障保障等功能。

彩博888 订购:汽车离合器鼓轮浮动去毛刺








1960544536