春亨产品中心
- 按产品特性分类
- 水平仪 偏心仪 角度计 直角尺 同心度仪 高速主轴 内外测卡规 打磨机 钻石膏 各种量表 磨刀石 研磨油石 切削刀具 研磨刷 研磨工具 磁性工具 放大镜 内视镜 卡尺 千分尺 圆周尺 扭力工具 针规 间隙规 速度测试 高度尺/计 测量工具 硬度计 段差尺 焊道规 V型座 磁性吸盘 推拉力计 吊重磁盘 工业胶粘剂 研磨抛光 钳类工具 旋具工具 热敏试纸 粘度计 电子称 金属锉刀 复制胶膜 螺帽规 背孔刀 气动主轴 自动换刀主轴 防静电主轴 MSIY电主轴 高精密主轴 大扭矩电主轴 高斯计 直角电主轴 进口百分表 扭力起子 中村扭力扳手 脱磁器 螺纹深度规 主轴增速刀柄 RBZ浮动主轴 中心出水电主轴 气浮主轴 螺纹规
- 按应用领域分类
- 工程机械 数控机床 汽车制造 电子/光电 橡胶皮革检测 船舶制造 实验室/研究院 纺织业 精加工 雕刻 珠宝首饰 陶瓷工业 抛光去毛刺 PCB分板机加工 铣削加工 钻孔动力头 医疗加工 走心机高频铣 浮动去毛刺 小径深孔加工
- 按品牌分类
- AAA ASKER B2 BOWERS CITIZEN DMT FUJITOOL FISSO FUJIGEN HONDA GLOI HEINE KANETEC IMADA KANON KAYDIAMOND KROEPLIN MEYER MARUI MITUTOYO NAKANISHI PEACOCK PEAK PHOENIX PI-TAPE RSK RHEINTACHO SK SPI SUN SUPERTECH SWAN UNIVERSAL NOVAPAX XEBEC WIXEY Teclock tohnichi 富士KOSOKU RUBICON KEIBA TAJIMA NIKON Stanley SPI Engeering MARKAL PTC TMC THERMAX RION SHINKO STAO佐藤 TSUBOSAN OSKAR SCHWENK MARK-10 Microset starrett EENPAIX OJIYAS DIGITECH ROECKLE tites swiss Yamato Cherry DAIWA RABIN MSIY NRS PPS NSK
相关资讯
- 走心机高频铣一拖二指的是什么意思?
- 100mm研磨刷去表面毛刺,用MSI自动换刀大扭矩主轴
- 汽车齿轮倒角去毛刺,用日本NAKANISHI高速电主轴
- 干货分享:分板机的操作员专业操作指导说明
- 春亨工具微信公众号平台上线
- RSK水平仪使用的时候,向右偏移一格代表什么?
- 协作机器人占“C位”为机器人未来带来多种可能
- 钻1*20mm小径深孔,加装CTS中心出水主轴,效率高
- 中西15万转气动主轴增速器适合哪些场景使用?
- 您心目中NAKANISHI主轴代理商哪家最有实力?
- 日本XEBEC锐必克这个品牌好吗?有哪些产品系列?
- NAKANISHI精密打磨抛光机ESPERT500研磨头不同应用
- 向假冒伪劣RSK水平仪说“不”!
- 机床师傅找平都用RSK磁性水平仪,工作效率可提升4倍
- 走心机高频铣里面的弹簧夹头怎么安装?
- 不规则压铸件直角毛刺,机械臂加装气动锉刀浮动
- NAKANISHI工业机器人必备换刀主轴-提高换刀效率
- 切割机专用主轴,我们只追求NAKANISHI中西NSK 品牌
- CNC加工中心铣削动力头HES510系列应用案例
- 木雕打磨抛光专用工具——中西电动打磨机
咨询热线:
13612997620
传真:0755-23033513
Q Q:
地址:深圳市宝安49区华创达文化科技产业园D栋507
产品详情
联系我们
日本西铁城界限量表2S-010
界限量表2S-010产品特性:

彩博888信号指示表是指针式量表与电气接点的组合,可以在测定状态中传送3段或5段的区别信号。不仅被广泛使用在钟表生产线,也常被应用在汽车引擎,轴承等生产线上,发挥着自动化检查与选别的威力。
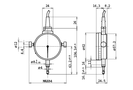
界限量表2S-010产品尺寸图:


界限量表2S-010产品详情参数:

| 模型 | 界限量表2S-100 | 界限量表2S-200 | 界限量表2S-010 | 界限量表2S-010FIIS | ||||
| 精度 | 1μm | 2μm | 10μm | 20μm | ||||
| 范围 | 精度±0.05mm | 为±0.1mm | ±0.6毫米 | ±0.5 | ||||
| 准确性 | ±1μm | ±1.5μm | ±5μm | ±15μm | ||||
| 测力 | 1.18N | 0.78N | ||||||
| 最大行程 | 2.8毫米 | |||||||
| 电压 | DC 24 V毫安 | |||||||
| 标准 | 测针1 | F-001 | ||||||
| 附件 | ||||||||
| 测针2 | 平背(F-M101) | |||||||
| 电缆 | 3SMA-0061-1.5(1.5米) | |||||||
| 选项 | 提升杆 | M-140 | ||||||
| 可选电缆 | 长度 | 3米 | 5米 | 10M(订货生产) | ||||
| 模型 | 3SMA-0061-3 | 3SMA-0061-5 | 3SMA-0061-10 | |||||
界限量表 信号指示表
彩博888 订购:西铁城界限表2S-010





.jpg)


1960544536 


