春亨产品中心
- 按产品特性分类
- 水平仪 偏心仪 角度计 直角尺 同心度仪 高速主轴 内外测卡规 打磨机 钻石膏 各种量表 磨刀石 研磨油石 切削刀具 研磨刷 研磨工具 磁性工具 放大镜 内视镜 卡尺 千分尺 圆周尺 扭力工具 针规 间隙规 速度测试 高度尺/计 测量工具 硬度计 段差尺 焊道规 V型座 磁性吸盘 推拉力计 吊重磁盘 工业胶粘剂 研磨抛光 钳类工具 旋具工具 热敏试纸 粘度计 电子称 金属锉刀 复制胶膜 螺帽规 背孔刀 气动主轴 自动换刀主轴 防静电主轴 MSIY电主轴 高精密主轴 大扭矩电主轴 高斯计 直角电主轴 进口百分表 扭力起子 中村扭力扳手 脱磁器 螺纹深度规 主轴增速刀柄 RBZ浮动主轴 中心出水电主轴 气浮主轴 螺纹规
- 按应用领域分类
- 工程机械 数控机床 汽车制造 电子/光电 橡胶皮革检测 船舶制造 实验室/研究院 纺织业 精加工 雕刻 珠宝首饰 陶瓷工业 抛光去毛刺 PCB分板机加工 铣削加工 钻孔动力头 医疗加工 走心机高频铣 浮动去毛刺 小径深孔加工
- 按品牌分类
- AAA ASKER B2 BOWERS CITIZEN DMT FUJITOOL FISSO FUJIGEN HONDA GLOI HEINE KANETEC IMADA KANON KAYDIAMOND KROEPLIN MEYER MARUI MITUTOYO NAKANISHI PEACOCK PEAK PHOENIX PI-TAPE RSK RHEINTACHO SK SPI SUN SUPERTECH SWAN UNIVERSAL NOVAPAX XEBEC WIXEY Teclock tohnichi 富士KOSOKU RUBICON KEIBA TAJIMA NIKON Stanley SPI Engeering MARKAL PTC TMC THERMAX RION SHINKO STAO佐藤 TSUBOSAN OSKAR SCHWENK MARK-10 Microset starrett EENPAIX OJIYAS DIGITECH ROECKLE tites swiss Yamato Cherry DAIWA RABIN MSIY NRS PPS NSK
相关资讯
- KANETEC电磁铁,致力解决自动化装配搬运作业.
- M2小径内螺纹铣削视频-NAKANISHI高频铣BM-320F
- 日本PEACOCK界限量表让您实现自动化检测
- 日本中西高速气浮轴承主轴NRAF-5080
- 走心机钛合金铣梅花,加装NAKANISHI高频铣
- 日本FUJECEN富士元桌上型倒角机,值得拥有!
- 斯大走心机钻φ0.3*19.9mm深孔,用高频铣可以加工吗?
- NAKANISHI总代理告知您主轴应该如何安装
- 2020年我国数控机床行业发展的主要瓶颈
- 日本NAKANISHI控制器E3000出现E7报警的原因及解决办法
- 进口扭力起子
- 广告行业高效智能切割主轴
- 哪里可以买到原装进口的美国阿肯色天然油石?
- 【买进口水平仪】货比三家不吃亏,春亨工具最实惠
- 我国连续7年成为世界上ZUI大的工业机器人应用市场
- NAKANISHI高速电主轴在汽车挡泥板内衬修整应用
- NR-3060S高速主轴介绍与使用
- 排刀机加装msiy-3316电主轴,可对黄铜零件进行倒角
- 日本NAKANSIHI高速主轴NR-3060S硬质合金钻孔案例
- 日本NAKANISHI高速主轴最新出品
咨询热线:
13612997620
传真:0755-23033513
Q Q:
地址:彩博888深圳市宝安49区华创达文化科技产业园D栋507
产品详情
联系我们
三丰mitutoyo太阳能数显千分表543-500

三丰mitutoyo太阳能数显千分表543-500,分辨力0.001mm,测量范围12.7mm,是一款环保型的太阳能电源测量仪器,不需要电池,既降低了成本又减少了对环境的影响。
太阳能数显指示表543系列产品特点
(1)太阳能环保型
环保型测量仪器,不需要电池,既降低了成本又减少了对环境的影响,可以在低于室内照明条件的最小40Lux下使用。
(2)大容量充电型
彩博888大容量充电功能可以在关照条件下低于最小水平条件下延长指示表使用周期。
(3)人性化按钮
所有功能都可以通过指示表前面的两或三大按钮操作。
(4)即使显示消失扔能进行原点记录
彩博888 指示表包括一个ABS传感器,可以预先设置原点,即使由于光照不足显示消失也能修复,方便恢复测量。适合在连续测量时使用,ID-SS 的这个特性是长期或多点测量的典范。
三丰数显指示表543产品型号及参数
| 货号 | 型号 | 分辨力 | 测量范围 | 全量程精度 | 回程误差 | 重复精度 | 备注 |
| 543-500 | ID-S112S | 0.001mm | 12.7mm | 0.003mm | 0.002mm | 0.002mm | 带耳后盖 |
| 543-500B | ID-S112SB | 0.001mm | 12.7mm | 0.003mm | 0.002mm | 0.002mm | 平型后盖 |
| 543-505 | ID-S1012S | 0.01mm | 12.7mm | 0.02mm | 0.02mm | 0.01mm | 带耳后盖 |
| 543-505B | ID-S1012SB | 0.01mm | 12.7mm | 0.02mm | 0.02mm | 0.01mm | 平型后盖 |
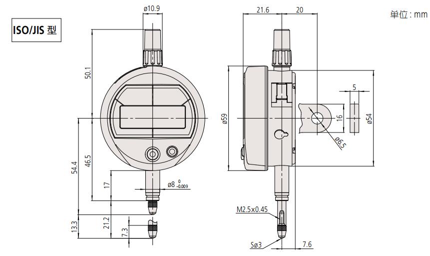
三丰数显指示表543产品尺寸

三丰千分表 三丰数显指示表
订购:mitutoyo数显千分表542-500








1960544536 


